Обратный звонок
Видеоконсультация
Похвалить
Пожаловаться
Сообщить об ошибке
Березники
Магазины
X-MOTORS
О компании
Вакансии
Новости
Статьи
Отзывы
Доставка и оплата
Контакты
Письмо директору
+7 (342) 255-46-26
Маркетплейс для
активного отдыха
Каталог товаров
Каталог
Главная
Вход
Сравнение
Избранное
Каталог
Корзина
Новогодние скидки
Лидеры продаж
Б/У техника
Б/У техника
Мотобуксировщики б/у (с пробегом)
Лодки ПВХ б/у (с пробегом)
Лодочные моторы б/у (с пробегом)
SUP-борды б/у
Квадроциклы б/у (с пробегом)
Мотоциклы б/у (с пробегом)
Снегоходы б/у (с пробегом)
Мототехника
Мототехника
Мотоциклы
Круизеры и чопперы
Спортбайки
Туристические мотоциклы
Нэйкед
Мотард
Детские мотоциклы
Кастомные мотоциклы
Питбайки, кроссовые мотоциклы, эндуро
Питбайки
Кроссовые мотоциклы
Эндуро
Турэндуро (Tour Эндуро)
Мототриал
Трициклы
Мопеды и скутеры
Мопеды
Скутеры
Макси-скутеры
Минибайки
Квадроциклы
Квадроциклы
Утилитарные квадроциклы
Спортивные квадроциклы
Шоссейные квадроциклы
Детские и подростковые квадроциклы
Электроквадроциклы для малышей
Снегоходы
Снегоходы
Туристические снегоходы
Утилитарные снегоходы
Спортивные и горные снегоходы
Детские снегоходы, мотоснегокаты
Миниснегоходы
Мотобуксировщики
Мотобуксировщики
Мотобуксировщики новые
Аксессуары для Мотобуксировщиков
Мотосноуборды
Вездеходы
Вездеходы
Запчасти для Вездеходов
Аксессуары для Вездеходов
Водный транспорт
Водный транспорт
SUP-борды
Лодочные моторы
Лодочные моторы новые
Водометные насадки
Электромоторы, электроякоря
Надувные лодки
Лодки под мотор
Гребные лодки
Аксессуары для катеров и лодок
Комплект лодка+мотор (ВЫГОДНО!)
Пластиковые лодки
Алюминиевые лодки
Гидроциклы
Катера
Классические катера
Каютные катера
Одноконсольные катера
Катера с открытой передней частью
Алюминиевые катера
Комбинированные катера
Стеклопластиковые катера
РИБы
Классические РИБы
Складные РИБы
Катамараны
Рафты
Байдарки
Каноэ
Каяки
Водные велосипеды
Автоприцепы
Прицепы для лодок
Дополнительное оборудование
Аксессуары, расходники для ПЛМ
Сумки для ПЛМ
Тележки для ПЛМ
Детали для дистанционного управления
Винты гребные
Водометные насадки
Аксессуары для катеров и лодок
Насосы
Якорно-швартовое оборудование
Спасательные средства
Оборудование для надувных лодок ПВХ
Системы рулевого и дистанционного управления
Топливная система
Осушительная система
Система пресной воды
Душевая система
Фановая система
Плиты транцевые
Приборы контроля
Палубное оборудование
Дельные вещи
Оборудование для парусных яхт, бегучий такелаж
Держатели спиннинга
Осветительное оборудование
Морская акустика и аксессуары
Стеклоочистители и стекла
Мебель судовая
Фурнитура, предметы интерьера
Ремонт, покраска и уход за судном
Принадлежности для транспортировки
Анодная защита
Запчасти для лодочных моторов
Запчасти для катеров и лодок
Снегоуборщики
UTV, Багги
Мотоэкипировка
Мотоэкипировка
Мотошлемы
Шлемы интеграл
Шлемы модуляр
Шлемы мотокросс
Шлемы эндуро, мотард
Шлемы открытые
Детские мотошлемы
Подшлемники, ветрозащита
Пинлоки
Визоры и запчасти
Мотогарнитуры
Мотоочки
Кроссовые очки
Детские очки
Аксессуары для мотоочков
Мотокуртки
Джерси и футболки
Мотоштаны
Мотоперчатки
Мотообувь
Кроссовые мотоботы
Дорожные мотоботы
Гольфы и носки
Аксессуары для мотоботов
Мотокомбинезоны
Мотозащита
Защита тела
Наколенники, налокотники
Аксессуары для мотозащиты
Зимняя экипировка
Шлемы
Очки
Снегоходная одежда
Повседневная зимняя одежда
Защита
Повседневная одежда
Мотосумки, рюкзаки
Мотодождевики
Велосипеды, самокаты
Велосипеды, самокаты
Велосипеды на литых дисках
Детские велосипеды, беговелы
Двухколесные велосипеды
Трехколесные велосипеды
Четырехколесные велосипеды
Велосипеды с ручкой
Беговелы
Подростковые велосипеды
Складные велосипеды
Горные велосипеды
Двухподвесные велосипеды
Городские, дорожные велосипеды
Женские велосипеды
Шоссейные велосипеды
Циклокроссовые велосипеды
Велосипеды BMX
Комфортные велосипеды
Фэтбайки
Электровелосипеды
Складные электровелосипеды
Городские электровелосипеды
Горные электровелосипеды
Двухподвесные электровелосипеды
Электро фэтбайки
Велосипеды с веломотором
Аксессуары
Аксессуары
Защита двигателя для мотоциклов
Аксессуары для техники STELS
Аксессуары для техники IRBIS
Аксессуары для Мотобуксировщиков
Модули, толкачи
Сани, прицепы
Чехлы, кофры, муфты
Электрические компоненты и ЗИП
Элементы кузова и подвески
Ветровые стекла
Для катеров и лодок
Для квадроциклов и вездеходов
Для мотоциклов и скутеров
Для снегоходов
Выносы шноркелей, радиаторов
Дополнительный свет
Канистры
Кофры (сумки)
Кофры, сумки для Квадроциклов
Кофры, сумки для Мопедов/Скутеров
Кофры, сумки для Мотобуксировщиков
Кофры, сумки для Мотоциклов
Кофры, сумки для Снегоходов
Лебедки
Подкаты, кантователи для снегоходов
Расширители колес
Снегоуборочные отвалы
Чехлы
Чехлы для UTV (Багги)
Чехлы для Вездеходов
Чехлы для Квадроциклов
Чехлы для Мотобуксировщиков
Чехлы для Мотоциклов
Чехлы для Снегоходов
Зимние комплекты для техники
Гусеницы
Гусеницы
Гусеницы для ATV/UTV/Багги
Гусеницы для автомобилей
Гусеницы для мотобуксировщиков
Гусеницы для мотоциклов
Запчасти
Запчасти
Общий каталог: цепи, фильтра, колодки, ремни, свечи, звезды, аккумуляторы, ручки и т.д
Общий каталог: камеры, шины, колеса, обода, спицы
Общий каталог: Детали корпуса, Рычаги, Педали, Грипсы, Пластик, Поворотники, пульты и т.д
Общий каталог: Электрика (CDI, катушки, коммутаторы, стабилизаторы, реле, лягушки, лампочки и т.д)
Запчасти для китайских двигателей
Запчасти для квадроциклов
Запчасти для снегоходов
Запчасти для мотоциклов, мопедов
Запчасти для скутеров
Запчасти для трициклов
Запчасти для вездеходов
Запчасти для лодочных моторов
Запчасти для лодок и катеров
Запчасти по производителю
Запчасти для садовой техники
Шины и диски
Запчасти для мотобуксировщиков
Шины, диски
Шины, диски
Для квадроциклов
Покрышки для квадроциклов
Камеры для квадроциклов
Диски для квадроциклов
Для мототехники
Покрышки для дорожной мототехники
Покрышки для внедорожной мототехники
Камеры для мототехники
Для картинга
Покрышки для картинга
Для велосипедов
Шины для велосипедов
Камеры для велосипедов
Для садовой техники
Покрышки для садовой техники
Камеры для садовой техники
Прицепы, сани
Прицепы, сани
Прицепы для мотоциклов и мопедов
Прицепы для перевозки мототехники
Сани
Чехлы
Электротранспорт
Электротранспорт
Электромашинки детские
Электроквадроциклы детские
Электромашинки детские
Электромотоциклы детские
Сигвеи
Электромотоциклы
Электроскейты
Электроскутеры
Дрифткарт (Электротрайк)
Мотоколеса
Электровелосипеды
Электроквадроциклы
Электросамокаты
Электроснегоходы
ГСМ
ГСМ
Вилочные и амортизаторные масла
Трансмиссионные масла
Масла для ATV - UTV
Масла для 2-х тактных ATV - UTV
Масла для 4-х тактных ATV - UTV
Масла для водной техники
Масла для 2-х тактных ПЛМ
Масла для 4-х тактных ПЛМ
Масла для гидроциклов
Трансмиссионные масла для ПЛМ
Масла для скутеров и мотоциклов
Масла для 2-х тактных скутеров и мотоциклов
Масла для 4-х тактных скутеров и мотоциклов
Масла для садовой техники
Масла для снегоходов
Масла для 2-х тактных снегоходов
Масла для 4-х тактных снегоходов
Смазки
Смазки и пропитки
Уход за цепью
Березники
Магазины
+7 (342) 255-46-26
Пн-Вс с 10-00 до 19-00
Каталог товаров
Новогодние скидки
Предзаказ
Акции
Лидеры продаж
Отзывы клиентов
Видеообзоры от X-MOTORS
Техническое обслуживание
Адреса магазинов
Компания X-MOTORS
О компании
Политика конфиденциальности
Видеообзоры
Видеоотзывы
Отзывы о компании
Вакансии
Новости
Статьи
Покупателям
Акции и скидки
Доставка и оплата
Рассрочка и кредит
Правила представления информации
Сервис
Техническое обслуживание
Гарантийный ремонт
Платный ремонт
Контакты
Магазины
Контакты
Письмо директору
Реквизиты
Каталог товаров
РАСПРОДАЖА
Лучшее предложение
Б/У техника
Все товары из категории
Мотобуксировщики б/у (с пробегом)
Лодки ПВХ б/у (с пробегом)
Лодочные моторы б/у (с пробегом)
SUP-борды б/у
Квадроциклы б/у (с пробегом)
Мотоциклы б/у (с пробегом)
Снегоходы б/у (с пробегом)
Мототехника
Все товары из категории
Мотоциклы
Мотоциклы
Все товары из категории
Круизеры и чопперы
Спортбайки
Туристические мотоциклы
Нэйкед
Мотард
Детские мотоциклы
Кастомные мотоциклы
Питбайки, кроссовые мотоциклы, эндуро
Питбайки, кроссовые мотоциклы, эндуро
Все товары из категории
Питбайки
Кроссовые мотоциклы
Эндуро
Турэндуро (Tour Эндуро)
Мототриал
Трициклы
Мопеды и скутеры
Мопеды и скутеры
Все товары из категории
Мопеды
Скутеры
Макси-скутеры
Минибайки
Квадроциклы
Все товары из категории
Утилитарные квадроциклы
Спортивные квадроциклы
Шоссейные квадроциклы
Детские и подростковые квадроциклы
Электроквадроциклы для малышей
Снегоходы
Все товары из категории
Туристические снегоходы
Утилитарные снегоходы
Спортивные и горные снегоходы
Детские снегоходы, мотоснегокаты
Миниснегоходы
Мотобуксировщики
Все товары из категории
Мотобуксировщики новые
Аксессуары для Мотобуксировщиков
Мотосноуборды
Вездеходы
Все товары из категории
Запчасти для Вездеходов
Аксессуары для Вездеходов
Водный транспорт
Все товары из категории
SUP-борды
Лодочные моторы
Лодочные моторы
Все товары из категории
Лодочные моторы новые
Водометные насадки
Электромоторы, электроякоря
Надувные лодки
Надувные лодки
Все товары из категории
Лодки под мотор
Гребные лодки
Аксессуары для катеров и лодок
Комплект лодка+мотор (ВЫГОДНО!)
Пластиковые лодки
Алюминиевые лодки
Гидроциклы
Катера
Катера
Все товары из категории
Классические катера
Каютные катера
Одноконсольные катера
Катера с открытой передней частью
Алюминиевые катера
Комбинированные катера
Стеклопластиковые катера
РИБы
РИБы
Все товары из категории
Классические РИБы
Складные РИБы
Катамараны
Рафты
Байдарки
Каноэ
Каяки
Водные велосипеды
Автоприцепы
Автоприцепы
Все товары из категории
Прицепы для лодок
Дополнительное оборудование
Аксессуары, расходники для ПЛМ
Аксессуары, расходники для ПЛМ
Все товары из категории
Сумки для ПЛМ
Тележки для ПЛМ
Детали для дистанционного управления
Винты гребные
Водометные насадки
Аксессуары для катеров и лодок
Аксессуары для катеров и лодок
Все товары из категории
Насосы
Якорно-швартовое оборудование
Спасательные средства
Оборудование для надувных лодок ПВХ
Системы рулевого и дистанционного управления
Топливная система
Осушительная система
Система пресной воды
Душевая система
Фановая система
Плиты транцевые
Приборы контроля
Палубное оборудование
Дельные вещи
Оборудование для парусных яхт, бегучий такелаж
Держатели спиннинга
Осветительное оборудование
Морская акустика и аксессуары
Стеклоочистители и стекла
Мебель судовая
Фурнитура, предметы интерьера
Ремонт, покраска и уход за судном
Принадлежности для транспортировки
Анодная защита
Запчасти для лодочных моторов
Запчасти для катеров и лодок
Снегоуборщики
UTV, Багги
Мотоэкипировка
Все товары из категории
Мотошлемы
Мотошлемы
Все товары из категории
Шлемы интеграл
Шлемы модуляр
Шлемы мотокросс
Шлемы эндуро, мотард
Шлемы открытые
Детские мотошлемы
Подшлемники, ветрозащита
Пинлоки
Визоры и запчасти
Мотогарнитуры
Мотоочки
Мотоочки
Все товары из категории
Кроссовые очки
Детские очки
Аксессуары для мотоочков
Мотокуртки
Джерси и футболки
Мотоштаны
Мотоперчатки
Мотообувь
Мотообувь
Все товары из категории
Кроссовые мотоботы
Дорожные мотоботы
Гольфы и носки
Аксессуары для мотоботов
Мотокомбинезоны
Мотозащита
Мотозащита
Все товары из категории
Защита тела
Наколенники, налокотники
Аксессуары для мотозащиты
Зимняя экипировка
Зимняя экипировка
Все товары из категории
Шлемы
Очки
Снегоходная одежда
Повседневная зимняя одежда
Защита
Повседневная одежда
Мотосумки, рюкзаки
Мотодождевики
Велосипеды, самокаты
Все товары из категории
Велосипеды на литых дисках
Детские велосипеды, беговелы
Детские велосипеды, беговелы
Все товары из категории
Двухколесные велосипеды
Трехколесные велосипеды
Четырехколесные велосипеды
Велосипеды с ручкой
Беговелы
Подростковые велосипеды
Складные велосипеды
Горные велосипеды
Двухподвесные велосипеды
Городские, дорожные велосипеды
Женские велосипеды
Шоссейные велосипеды
Циклокроссовые велосипеды
Велосипеды BMX
Комфортные велосипеды
Фэтбайки
Электровелосипеды
Электровелосипеды
Все товары из категории
Складные электровелосипеды
Городские электровелосипеды
Горные электровелосипеды
Двухподвесные электровелосипеды
Электро фэтбайки
Велосипеды с веломотором
Аксессуары
Все товары из категории
Защита двигателя для мотоциклов
Аксессуары для техники STELS
Аксессуары для техники IRBIS
Аксессуары для Мотобуксировщиков
Аксессуары для Мотобуксировщиков
Все товары из категории
Модули, толкачи
Сани, прицепы
Чехлы, кофры, муфты
Электрические компоненты и ЗИП
Элементы кузова и подвески
Ветровые стекла
Ветровые стекла
Все товары из категории
Для катеров и лодок
Для квадроциклов и вездеходов
Для мотоциклов и скутеров
Для снегоходов
Выносы шноркелей, радиаторов
Дополнительный свет
Канистры
Кофры (сумки)
Кофры (сумки)
Все товары из категории
Кофры, сумки для Квадроциклов
Кофры, сумки для Мопедов/Скутеров
Кофры, сумки для Мотобуксировщиков
Кофры, сумки для Мотоциклов
Кофры, сумки для Снегоходов
Лебедки
Подкаты, кантователи для снегоходов
Расширители колес
Снегоуборочные отвалы
Чехлы
Чехлы
Все товары из категории
Чехлы для UTV (Багги)
Чехлы для Вездеходов
Чехлы для Квадроциклов
Чехлы для Мотобуксировщиков
Чехлы для Мотоциклов
Чехлы для Снегоходов
Зимние комплекты для техники
Гусеницы
Все товары из категории
Гусеницы для ATV/UTV/Багги
Гусеницы для автомобилей
Гусеницы для мотобуксировщиков
Гусеницы для мотоциклов
Запчасти
Все товары из категории
Общий каталог: цепи, фильтра, колодки, ремни, свечи, звезды, аккумуляторы, ручки и т.д
Общий каталог: цепи, фильтра, колодки, ремни, свечи, звезды, аккумуляторы, ручки и т.д
Все товары из категории
Масло моторное, трансмиссионное
Цепи приводные
Звезды ведомые, ведущие
Фильтры
Колодки тормозные
Ремни вариатора, вентилятора
Свечи зажигания
Аккумуляторы
Сальники, пыльники
Общий каталог: камеры, шины, колеса, обода, спицы
Общий каталог: камеры, шины, колеса, обода, спицы
Все товары из категории
Антибуксаторы
Флиппер на обод колеса
Камеры для мотоциклов ,квадроциклов
Мотопокрышки, квадрошины, шины
Диски, обода, спицы
Общий каталог: Детали корпуса, Рычаги, Педали, Грипсы, Пластик, Поворотники, пульты и т.д
Общий каталог: Детали корпуса, Рычаги, Педали, Грипсы, Пластик, Поворотники, пульты и т.д
Все товары из категории
Ручки руля, грипсы, грузики
Поворотники для мототехники
Рычаги (руля) тормоза, сцепления, газа
Рычаги переключения передач, педали тормоза
Троса газа, тормоза, подсоса и т.д.
Кикстартера, ручной, ножной запуск
Подножки водителя, пассажира
Тормозная система, тормозные цилиндры, бачки, машинки, диски тормозные
Крышки бака, сапуны бака
Оси колеса, маятника
Пластик кузова
Перья вилки ,передние амортизаторы
Щитки приборов, приборная панель
Фары, фонари
Рули
Бензобаки, детали бензобака
Сиденья водителя, пассажира
Рычаги подвески, маятники
Глушители выхлопных газов
Общий каталог: Электрика (CDI, катушки, коммутаторы, стабилизаторы, реле, лягушки, лампочки и т.д)
Общий каталог: Электрика (CDI, катушки, коммутаторы, стабилизаторы, реле, лягушки, лампочки и т.д)
Все товары из категории
Блок электронного зажигания (CDI), коммутаторы
Катушки зажигания для мототехники
Реле электростартера, поворотов, габаритов и подогрева ручек, Реле-регулятор напряжения
Датчики масла, температуры, вентилятора, кислорода, датчики (лягушки) п.п, скорости
Замки зажигания, комплекты замков
Пульты, домики, блоки переключения руля
Лампочки для мото, квадро, снего
Звуковые сигналы
Запчасти для китайских двигателей
Запчасти для китайских двигателей
Все товары из категории
Запчасти для двигателя IE30, IE40-49, IE40-F6, IE50-F6, LMATV-049HM, (2Т 49сс, все квадры, питы, бензопилы)
Запчасти для двигателя 139QMB, 141QMB, 139QMА, 1P39QMB (4Т скутера)
Запчасти для двигателя 1E40QMB, 1E41QMB, 1E50QMB, 1E60QMB, 1E70QMB, 1E90QMB (2Т скутера)
Запчасти для двигателя 139FMB, 1P39FM. 1P39, 1P39FMB
Запчасти для двигателя 147FMD, 147FMH , 1P47FMD, 1P47FME
Запчасти для двигателя 152FMH, 152FMA, 1P52
Запчасти для двигателя 152FMI, ZS1P52FMI, 1P52, YX 110-125
Запчасти для двигателя H1P622FMJ-PRO
Запчасти для двигателя S1P622FMJ-PRO
Запчасти для двигателя S1P611FMI-PRO
Запчасти для двигателя 1P61FML-PRO ATV 150/190 (с аналогами)
Запчасти для двигателя 1P61FML-PRO ATV 150/190
Запчасти для двигателя 1P75FMJ-PRO квадроцикл 250/300 баланс.вал
Запчасти для двигателя L1P75CVT-PRO
Запчасти для двигателя NC300S
Запчасти для двигателя RW171FMM
Запчасти для двигателя ZS1P44FMC
Запчасти для двигателя 1P75FMJ, 1P75FMJ-PRO (ATV 300cc)
Запчасти для двигателя 152QMI, RC125T
Запчасти для двигателя 153FMI, ZS153FMI, YX 125, W120
Запчасти для двигателя 154FMI, ZS154FMI, YX 125
Запчасти для двигателя 156FMJ,YX1P56FMJ, 1P56FMJ, W063, YX 140, YX 150, W150
Запчасти для двигателя 156FMI, 1P56FMI, 157FMI, 1P57FMI
Запчасти для двигателя 157QMJ, 1P57QMJ, 158QMJ, 1P58QMJ
Запчасти для двигателя 1P62QML, 1P63QML, JL1P62F, 1P65QML
Запчасти для двигателя 1P63QMK, 1P63QMK-3D, JN1P63QMK-2D (ATV с баланс.валом)
Запчасти для двигателя Z1P75QML-PRO
Запчасти для двигателя JN1P75QML-PRO
Запчасти для двигателя 160FMJ, 1P60FMK, 160FMK, YX160 (W160)
Запчасти для двигателя 161QMK, GY6-170/180/200,
Запчасти для двигателя 161FMJ, RC150-GY, RC150-23
Запчасти для двигателя 162FMJ
Запчасти для двигателя 1P62YML-2, ZS1P62YML-2, W190, Z190
Запчасти для двигателя 163FML, 163FML-2
Запчасти для двигателя 164FML
Запчасти для двигателя 165FML, 166FML, 167FML
Запчасти для двигателя СВВ250, 165FMM, 166FMM, 167FMM
Запчасти для двигателя CB250D-G, 165MM, 166MM, 165FMM, 166FMM
Запчасти для двигателя 167FMM, 167MM
Запчасти для двигателя 168FMM, 169MM, 169FMM, ZS169MM
Запчасти для двигателя 170MM, 170MM-2, 170FMM, ZS170MM-2
Запчасти для двигателя CB250-F, ZS-CB250A, 172FMM-3A, 172MM, ZS172FMM, CB250
Запчасти для двигателя CB300F, ZS175FMM-3A (177FMN)
Запчасти для двигателя CB250R, 172FMM-6, ZS172FMM-6 (4 клапана)
Запчасти для двигателя CB250RL, ZS-CB250RL, 172FMM-7, ZS172FMM-7 (4 клапана, с баланс.валом))
Запчасти для двигателя CB300RL, ZS-CB300RL, 175FMM-7, ZS175FMM-7 (4 клапана, с баланс.валом))
Запчасти для двигателя ZS-PR250, PR250, ZS172FMM-5, 172FMM-5 (с баланс.валом)
Запчасти для двигателя ZS-PR300, PR300, ZS-175FMN, 175FMN (с баланс.валом)
Запчасти для двигателя NC250, ZS-NC250б 177MM, 177FMM, ZS177MM (водн.охлжд, 4 клапана, балан.вал, однокамерный)
Запчасти для двигателя NC300, ZS-NC300, ZS182MN, 182MN (водн.охлжд, 4 клапана, балан.вал, однокамерный)
Запчасти для двигателя NC250S, ZS-NC250S, ZS 177MM-A, 177MM-A (водн.охлжд, 4 клапана, балан.вал, двухкамерный, 2 распредвала)
Запчасти для двигателя NC300S, ZS-NC300, ZS182MN, 182MN (водн.охлжд, 4 клапана, балан.вал, двухкамерный, 2 распредвала))
Запчасти для двигателя NX250, ZS-NX250, ZS178MM-2, 178MN-2 (водн.охлжд 4 клапана, балан.вал, двухкамерный, 2 распредвала)
Запчасти для двигателя CBS300, 174MN, ZS174MN, 174MN-3, ZS 174MN (вод.охлаждение, 4 клапанный)
Запчасти для двигателя NB300, ZS-NB300, ZS174MN-5A, 174MN-5A, ZS 174MN-5 (вод.охлаждение, 4 клапанный)
Запчасти для двигателя NC450, ZS-NC450, 194MQ, ZS194MQ (водн.охлжд 4 клапана, балан.вал, однокамерный)
Запчасти для двигателя 253FMM, FMM253, CTM250, QJ250
Запчасти для двигателей общего назначения LIFAN, HONDA, ZONGSHEN
Запчасти для двигателей Motoland
Запчасти для двигателей Racer
Запчасти для квадроциклов
Запчасти для квадроциклов
Все товары из категории
Запчасти для квадроциклов STELS
Запчасти для квадроциклов AODES (ODES)
Запчасти для квадроциклов PROMAX
Запчасти для квадроциклов CHANGJIANG (CJ)
Запчасти для квадроциклов GBM
Запчасти для квадроциклов IRBIS
Запчасти для квадроциклов РУССКАЯ МЕХАНИКА
Запчасти для снегоходов
Запчасти для снегоходов
Все товары из категории
Запчасти для снегоходов STELS
Запчасти для снегоходов РУССКАЯ МЕХАНИКА
Запчасти для снегоходов IRBIS
Запчасти для снегоходов SNOWFOX
Запчасти для снегоходов WELS
Ветровые стекла для снегоходов
Гусеницы для снегоходов
Запчасти для снегоходов IKUDZO
Запчасти для снегоходов MOTOLAND
Запчасти для снегоходов PROMAX
Запчасти для мотоциклов, мопедов
Запчасти для мотоциклов, мопедов
Все товары из категории
Запчасти для мотоцикла АЛЬФА (ALPHA), ДЕЛЬТА (DELTA) Zodiak, Gvalior и т.д (по типу Альфы)
Запчасти для Российских мотоциклов: ИЖ, УРАЛ, МИНСК, ТУЛА, ВОСХОД, ДНЕПР, ЯВА, ОРИОН, КАРПАТЫ
Запчасти для мотоциклов FRATELI
Запчасти для мопеда FAIDET
Запчасти для мопедов PROMAX
Запчасти для мотоциклов BENDA
Запчасти для мотоциклов FAIDET
Запчасти для мотоциклов KOVE
Запчасти для мотоциклов PROMAX
Запчасти для мотоциклов RACER
Запчасти для скутеров
Запчасти для скутеров
Все товары из категории
Запчасти для скутеров HONDA
Запчасти для скутеров IRBIS
Запчасти для скутеров PROMAX
Запчасти для скутеров RACER
Запчасти для скутеров STELS
Запчасти для скутеров SUZUKI
Запчасти для скутеров YAMAHA
Запчасти для трициклов
Запчасти для трициклов
Все товары из категории
Запчасти для трициклов LIFAN
Запчасти для трициклов Racer
Запчасти для трициклов STELS
Общий каталог
Запчасти для вездеходов
Запчасти для лодочных моторов
Запчасти для лодочных моторов
Все товары из категории
Запчасти для подвесных лодочных моторов BREEZE
Запчасти для подвесных лодочных моторов GLADIATOR
Запчасти для подвесных лодочных моторов HIDEA
Запчасти для подвесных лодочных моторов MERCURY (2х-тактные)
Запчасти для подвесных лодочных моторов MERCURY (4х-тактные)
Запчасти для подвесных лодочных моторов MARLIN
Запчасти для подвесных лодочных моторов PARSUN
Запчасти для подвесных лодочных моторов SEA-PRO
Запчасти для подвесных лодочных моторов SEANOVO
Запчасти для подвесных лодочных моторов SUZUKI
Запчасти для подвесных лодочных моторов TITAN
Запчасти для подвесных лодочных моторов TOHATSU
Запчасти для подвесных лодочных моторов YAMABISI
Запчасти для подвесных лодочных моторов YAMAHA
Запчасти для подвесных лодочных моторов ZONGSHEN
Запчасти для подвесных лодочных моторов PROMAX
Запчасти для лодок и катеров
Запчасти по производителю
Запчасти по производителю
Все товары из категории
Запчасти STELS (СТЕЛС)
Запчасти IRBIS (ИРБИС)
Запчасти RACER (РЕЙСЕР)
Запчасти CENTERPLAST (ЦЕНТРОПЛАСТ)
Запчасти MTR (МТР)
Запчасти RED ENERGY (РЭД ЭНЕРДЖИ)
Запчасти URAL-MOTORS (УРАЛ-МОТОРС)
Запчасти BSE (БСЕ)
Запчасти ZONGSHEN (ЗОНГШЕН)
Запчасти KOIRA (КОЙРА)
Запчасти KAYO (КАЙО)
Запчасти PARSUN (ПАРСУН)
Запчасти PATRON (ПАТРОН)
Запчасти RM (РУССКАЯ МЕХАНИКА)
Запчасти YAMAHA (ЯМАХА)
Запчасти для садовой техники
Запчасти для садовой техники
Все товары из категории
Двигатели общего назначения LIFAN
Запчасти для бензопил
Запчасти для двигателей общего назначения LIFAN
Запчасти для садовой техники Lifan
Запчасти для садовой техники Motoland
Шины и диски
Запчасти для мотобуксировщиков
Запчасти для мотобуксировщиков
Все товары из категории
Запчасти для мотобуксировщиков 6-8л.с (общий каталог)
Запчасти для мотобуксировщиков 9-13л.с (общий каталог)
Запчасти для мотобуксировщиков 15-19л.с (общий каталог)
Запчасти для мотобуксировщиков 20-24л.с (общий каталог)
Запчасти для мотобуксировщиков IKUDZO
Запчасти для мотобуксировщиков IRBIS
Запчасти для мотобуксировщиков KOIRA
Запчасти для мотобуксировщиков OPTI MAX (PREMIUM SERIES)
Запчасти для мотобуксировщиков POMOR
Запчасти для мотобуксировщиков SNOW DOG
Запчасти для мотобуксировщиков МОТОМИР
Запчасти для мотобуксировщиков РОСТИН
Шины, диски
Все товары из категории
Для квадроциклов
Для квадроциклов
Все товары из категории
Покрышки для квадроциклов
Камеры для квадроциклов
Диски для квадроциклов
Для мототехники
Для мототехники
Все товары из категории
Покрышки для дорожной мототехники
Покрышки для внедорожной мототехники
Камеры для мототехники
Для картинга
Для картинга
Все товары из категории
Покрышки для картинга
Для велосипедов
Для велосипедов
Все товары из категории
Шины для велосипедов
Камеры для велосипедов
Для садовой техники
Для садовой техники
Все товары из категории
Покрышки для садовой техники
Камеры для садовой техники
Прицепы, сани
Все товары из категории
Прицепы для мотоциклов и мопедов
Прицепы для перевозки мототехники
Сани
Чехлы
Электротранспорт
Все товары из категории
Электромашинки детские
Электромашинки детские
Все товары из категории
Электроквадроциклы детские
Электромашинки детские
Электромотоциклы детские
Сигвеи
Электромотоциклы
Электроскейты
Электроскутеры
Дрифткарт (Электротрайк)
Мотоколеса
Электровелосипеды
Электроквадроциклы
Электросамокаты
Электроснегоходы
ГСМ
Все товары из категории
Вилочные и амортизаторные масла
Трансмиссионные масла
Масла для ATV - UTV
Масла для ATV - UTV
Все товары из категории
Масла для 2-х тактных ATV - UTV
Масла для 4-х тактных ATV - UTV
Масла для водной техники
Масла для водной техники
Все товары из категории
Масла для 2-х тактных ПЛМ
Масла для 4-х тактных ПЛМ
Масла для гидроциклов
Трансмиссионные масла для ПЛМ
Масла для скутеров и мотоциклов
Масла для скутеров и мотоциклов
Все товары из категории
Масла для 2-х тактных скутеров и мотоциклов
Масла для 4-х тактных скутеров и мотоциклов
Масла для садовой техники
Масла для снегоходов
Масла для снегоходов
Все товары из категории
Масла для 2-х тактных снегоходов
Масла для 4-х тактных снегоходов
Смазки
Смазки и пропитки
Уход за цепью
Главная
Запчасти
Запчасти для снегоходов
Запчасти для снегоходов РУССКАЯ МЕХАНИКА
Запчасти для снегохода РМ (РУССКАЯ МЕХАНИКА) TAYGA PATRUL 550 SWT
Запчасти
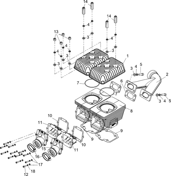
Запчасти для снегохода РМ (РУССКАЯ МЕХАНИКА) TAYGA PATRUL 550 SWT
найти
Нужна помощь менеджера?
Обратиться за помощью
Категория:
Запчасти для снегохода РМ (РУССКАЯ МЕХАНИКА) TAYGA PATRUL 550 SWT
Общий каталог: цепи, фильтра, колодки, ремни, свечи, звезды, аккумуляторы, ручки и т.д
Общий каталог: камеры, шины, колеса, обода, спицы
Общий каталог: Детали корпуса, Рычаги, Педали, Грипсы, Пластик, Поворотники, пульты и т.д
Общий каталог: Электрика (CDI, катушки, коммутаторы, стабилизаторы, реле, лягушки, лампочки и т.д)
Запчасти для китайских двигателей
Запчасти для квадроциклов
Запчасти для снегоходов
Запчасти для снегоходов STELS
Запчасти для снегохода STELS STAVR MS600
Бампер снегохода STELS STAVR MS600
Бензобак снегохода STELS STAVR MS600
Вал ведущий снегохода STELS STAVR MS600
Вариатор снегохода STELS STAVR MS600
Глушитель шума впуска снегохода STELS STAVR MS600
Движитель гусеничный снегохода STELS STAVR MS600
ДВС снегохода STELS STAVR MS600
Капот снегохода STELS STAVR MS600
Картер ДВС снегохода STELS STAVR MS600
Кожух левый снегохода STELS STAVR MS600
Кожух нижний снегохода STELS STAVR MS600
Кожух правый снегохода STELS STAVR MS600
Комплект электрозапуска снегохода STELS STAVR MS600
Корпус снегохода STELS STAVR MS600
Наклейки декоративные для белого и желтого пластика снегохода STELS STAVR MS600
Наклейки декоративные для черного пластика снегохода STELS STAVR MS600
Наклейки предупреждающие снегохода STELS STAVR MS600
Насос топливный снегохода STELS STAVR MS600
Передача цепная снегохода STELS STAVR MS600
Подвеска передняя снегохода STELS STAVR MS600
Поршень, шатун, коленвал снегохода STELS STAVR MS600
Рулевое управление снегохода STELS STAVR MS600
Сиденье снегохода STELS STAVR MS600
Система воздушного охлаждения двигателя снегохода STELS STAVR MS600
Система выхлопная снегохода STELS STAVR MS600
Система ручного запуска двигателя снегохода STELS STAVR MS600
Система смазки двигателя снегохода STELS STAVR MS600
Спинка сиденья без кофра (опционально) снегохода STELS STAVR MS600
Спинка сиденья с кофром снегохода STELS STAVR MS600
Тормозная система снегохода STELS STAVR MS600
Цилиндр в сборе снегохода STELS STAVR MS600
Электрооборудование (часть 1) снегохода STELS STAVR MS600
Электрооборудование (часть 2) снегохода STELS STAVR MS600
Запчасти для снегохода STELS VIKING 600 V2.0
Багажник задний снегохода STELS VIKING 600 V2.0
Вариатор, ведомый шкив (производитель GK) снегохода STELS VIKING 600 V2.0
Вариатор, ведущий шкив (производитель GK) снегохода STELS VIKING 600 V2.0
Воздушный фильтр снегохода STELS VIKING 600 V2.0
Грязезащитные щитки снегохода STELS VIKING 600 V2.0
Движитель гусеничный снегохода STELS VIKING 600 V2.0
ДВС снегохода STELS VIKING 600 V2.0
Задняя подвеска (усиленная) снегохода STELS VIKING 600 V2.0
Задняя подвеска снегохода STELS VIKING 600 V2.0
Капот снегохода STELS VIKING 600 V2.0
Картер ДВС снегохода STELS VIKING 600 V2.0
Кофр снегохода STELS VIKING 600 V2.0
КПП снегохода STELS VIKING 600 V2.0
Наклейки снегохода STELS VIKING 600 V2.0
Основание подмоторное снегохода STELS VIKING 600 V2.0
Передок снегохода STELS VIKING 600 V2.0
Подвеска передняя снегохода STELS VIKING 600 V2.0
Поршень, шатун, коленвал снегохода STELS VIKING 600 V2.0
Привод гусеничного движителя снегохода STELS VIKING 600 V2.0
Рама снегохода STELS VIKING 600 V2.0
Рулевое управление снегохода STELS VIKING 600 V2.0
Сиденье снегохода STELS VIKING 600 V2.0
Система воздушного охлаждения двигателя снегохода STELS VIKING 600 V2.0
Система выпуска отработавших газов снегохода STELS VIKING 600 V2.0
Система подачи топлива двигателя снегохода STELS VIKING 600 V2.0
Система ручного запуска двигателя снегохода STELS VIKING 600 V2.0
Система смазки двигателя снегохода STELS VIKING 600 V2.0
Спец.инструмент снегохода STELS VIKING 600 V2.0
Стартер ручной снегохода STELS VIKING 600 V2.0
Топливный бак (дополнительный) снегохода STELS VIKING 600 V2.0
Тормоз гидравлический снегохода STELS VIKING 600 V2.0
Цилиндр в сборе снегохода STELS VIKING 600 V2.0
Электрооборудование (часть 1) снегохода STELS VIKING 600 V2.0
Электрооборудование (часть 2) снегохода STELS VIKING 600 V2.0
Электрооборудование (часть 3) снегохода STELS VIKING 600 V2.0
Электрооборудование (часть 4) снегохода STELS VIKING 600 V2.0
Запчасти для снегохода STELS VIKING 600ST/600/600XE
Багажник задний снегохода STELS VIKING 600ST/600/600XE
Вариатор, ведомый шкив (производитель GK) снегохода STELS VIKING 600ST/600/600XE
Вариатор, ведущий шкив (производитель GK) снегохода STELS VIKING 600ST/600/600XE
Воздушный фильтр снегохода STELS VIKING 600ST/600/600XE
Грязезащитные щитки снегохода STELS VIKING 600ST/600/600XE
ДВС снегохода STELS VIKING 600ST/600/600XE
Задняя подвеска (усиленная) снегохода STELS VIKING 600ST/600/600XE
Задняя подвеска снегохода STELS VIKING 600ST/600/600XE
Капот снегохода STELS VIKING 600ST/600/600XE
Картер ДВС снегохода STELS VIKING 600ST/600/600XE
Кофр снегохода STELS VIKING 600ST/600/600XE
КПП снегохода STELS VIKING 600ST/600/600XE
Наклейки снегохода STELS VIKING 600ST/600/600XE
Передок снегохода STELS VIKING 600ST/600/600XE
Подвеска ДВС снегохода STELS VIKING 600ST/600/600XE
Подвеска передняя снегохода STELS VIKING 600ST/600/600XE
Поршень, шатун, коленвал снегохода STELS VIKING 600ST/600/600XE
Привод гусеничного движителя снегохода STELS VIKING 600ST/600/600XE
Рама снегохода STELS VIKING 600ST/600/600XE
Рулевое управление снегохода STELS VIKING 600ST/600/600XE
Сиденье снегохода STELS VIKING 600ST/600/600XE
Система воздушного охлаждения двигателя снегохода STELS VIKING 600ST/600/600XE
Система выпуска отработавших газов снегохода STELS VIKING 600ST/600/600XE
Система запуска двигателя снегохода STELS VIKING 600ST/600/600XE
Система подачи топлива двигателя снегохода STELS VIKING 600ST/600/600XE
Система смазки двигателя снегохода STELS VIKING 600ST/600/600XE
Спец.инструмент снегохода STELS VIKING 600ST/600/600XE
Стартер ручной снегохода STELS VIKING 600ST/600/600XE
Топливный бак (дополнительный) снегохода STELS VIKING 600ST/600/600XE
Тормоз гидравлический снегохода STELS VIKING 600ST/600/600XE
Цилиндр в сборе снегохода STELS VIKING 600ST/600/600XE
Электрооборудование (часть 1) снегохода STELS VIKING 600ST/600/600XE
Электрооборудование (часть 2) снегохода STELS VIKING 600ST/600/600XE
Электрооборудование (часть 3) снегохода STELS VIKING 600ST/600/600XE
Электрооборудование (часть 4) снегохода STELS VIKING 600ST/600/600XE
Запчасти для снегохода STELS VIKING 800
Багажник задний снегохода STELS VIKING 800
Вариатор, ведомый шкив (производитель GK) снегохода STELS VIKING 800
Вариатор, ведущий шкив (производитель GK) снегохода STELS VIKING 800
Головка цилиндра ДВС (задняя, с ручным стартером) снегохода STELS VIKING 800
Головка цилиндра ДВС (задняя, с электростартером) снегохода STELS VIKING 800
Головка цилиндра ДВС (передняя, с ручным стартером) снегохода STELS VIKING 800
Головка цилиндра ДВС (передняя, с электростартером) снегохода STELS VIKING 800
Грязезащитные щитки снегохода STELS VIKING 800
ДВС снегохода STELS VIKING 800
Задняя подвеска (усиленная) снегохода STELS VIKING 800
Задняя подвеска снегохода STELS VIKING 800
Капот снегохода STELS VIKING 800
Картер ДВС снегохода STELS VIKING 800
Кофр снегохода STELS VIKING 800
КПП снегохода STELS VIKING 800
Наклейки снегохода STELS VIKING 800
Передок снегохода STELS VIKING 800
Подвеска ДВС снегохода STELS VIKING 800
Подвеска передняя снегохода STELS VIKING 800
Привод гусеничного движителя снегохода STELS VIKING 800
Рама снегохода STELS VIKING 800
Рулевое управление снегохода STELS VIKING 800
Сиденье снегохода STELS VIKING 800
Система выпуска отработавших газов снегохода STELS VIKING 800
Система охлаждения с широким радиатором снегохода STELS VIKING 800
Система питания ДВС снегохода STELS VIKING 800
Система смазки ДВС снегохода STELS VIKING 800
Спец.инструмент снегохода STELS VIKING 800
Тормоз гидравлический снегохода STELS VIKING 800
ЦПГ и КШМ ДВС снегохода STELS VIKING 800
Электрооборудование (запуск от ручного стартера) снегохода STELS VIKING 800
Электрооборудование (запуск от электростартера) снегохода STELS VIKING 800
Электрооборудование (часть 1) снегохода STELS VIKING 800
Электрооборудование (часть 2) снегохода STELS VIKING 800
Электрооборудование (часть 3) снегохода STELS VIKING 800
Элементы системы охлаждения ДВС снегохода STELS VIKING 800
Запчасти для снегохода STELS VIKING 800 V2.0
Багажник задний снегохода STELS VIKING 800 V2.0
Вариатор, ведомый шкив (производитель CVTech) снегохода STELS VIKING 800 V2.0
Вариатор, ведомый шкив (производитель GK) снегохода STELS VIKING 800 V2.0
Вариатор, ведущий шкив (производитель CVTech) снегохода STELS VIKING 800 V2.0
Вариатор, ведущий шкив (производитель GK) снегохода STELS VIKING 800 V2.0
Головка цилиндра ДВС (задняя, с ручным стартером) снегохода STELS VIKING 800 V2.0
Головка цилиндра ДВС (задняя, с электростартером) снегохода STELS VIKING 800 V2.0
Головка цилиндра ДВС (передняя, с ручным стартером) снегохода STELS VIKING 800 V2.0
Головка цилиндра ДВС (передняя, с электростартером) снегохода STELS VIKING 800 V2.0
Грязезащитные щитки снегохода STELS VIKING 800 V2.0
Движитель гусеничный снегохода STELS VIKING 800 V2.0
ДВС снегохода STELS VIKING 800 V2.0
Задняя подвеска (усиленная) снегохода STELS VIKING 800 V2.0
Задняя подвеска снегохода STELS VIKING 800 V2.0
Капот снегохода STELS VIKING 800 V2.0
Картер ДВС снегохода STELS VIKING 800 V2.0
Кофр снегохода STELS VIKING 800 V2.0
КПП снегохода STELS VIKING 800 V2.0
Наклейки снегохода STELS VIKING 800 V2.0
Основание подмоторное снегохода STELS VIKING 800 V2.0
Передок снегохода STELS VIKING 800 V2.0
Подвеска ДВС снегохода STELS VIKING 800 V2.0
Подвеска передняя снегохода STELS VIKING 800 V2.0
Привод гусеничного движителя снегохода STELS VIKING 800 V2.0
Рама снегохода STELS VIKING 800 V2.0
Рулевое управление снегохода STELS VIKING 800 V2.0
Сиденье снегохода STELS VIKING 800 V2.0
Система выпуска отработавших газов снегохода STELS VIKING 800 V2.0
Система охлаждения с широким радиатором снегохода STELS VIKING 800 V2.0
Система охлаждения снегохода STELS VIKING 800 V2.0
Система питания ДВС снегохода STELS VIKING 800 V2.0
Система смазки ДВС снегохода STELS VIKING 800 V2.0
Спец.инструмент снегохода STELS VIKING 800 V2.0
Тормоз гидравлический снегохода STELS VIKING 800 V2.0
ЦПГ и КШМ ДВС снегохода STELS VIKING 800 V2.0
Электрооборудование (запуск от ручного стартера) снегохода STELS VIKING 800 V2.0
Электрооборудование (запуск от электростартера) снегохода STELS VIKING 800 V2.0
Электрооборудование (часть 1) снегохода STELS VIKING 800 V2.0
Электрооборудование (часть 2) снегохода STELS VIKING 800 V2.0
Электрооборудование (часть 3) снегохода STELS VIKING 800 V2.0
Элементы системы охлаждения ДВС снегохода STELS VIKING 800 V2.0
Запчасти для снегохода STELS АТАМАН 600
Бампер передний, левый снегохода STELS АТАМАН 600 СС
Бампер передний, правый снегохода STELS АТАМАН 600 СС
Бензобак снегохода STELS АТАМАН 600 СС
Вал ведущий снегохода STELS АТАМАН 600 СС
Вариатор (ведомый шкив) снегохода STELS АТАМАН 600 СС
Вариатор (ведущий шкив) снегохода STELS АТАМАН 600 СС
ДВС снегохода STELS АТАМАН 600 СС
Днище снегохода STELS АТАМАН 600 СС
Капот снегохода STELS АТАМАН 600 СС
Картер ДВС снегохода STELS АТАМАН 600 СС
Кожух вариатора снегохода STELS АТАМАН 600 СС
Кожух верхний в сборе снегохода STELS АТАМАН 600 СС
Комплект электрозапуска снегохода STELS АТАМАН 600 СС
Корпус снегохода STELS АТАМАН 600 СС
КПП снегохода STELS АТАМАН 600 СС
Механизм переключения передач снегохода STELS АТАМАН 600 СС
Наклейки снегохода STELS АТАМАН 600 СС
Подвеска передняя снегохода STELS АТАМАН 600 СС
Поршень, шатун, коленвал снегохода STELS АТАМАН 600 СС
Рама снегохода STELS АТАМАН 600 СС
Рулевое управление снегохода STELS АТАМАН 600 СС
Сиденье снегохода STELS АТАМАН 600 СС
Система воздушного охлаждения двигателя снегохода STELS АТАМАН 600 СС
Система выхлопная снегохода STELS АТАМАН 600 СС
Система питания двигателя снегохода STELS АТАМАН 600 СС
Система ручного запуска двигателя снегохода STELS АТАМАН 600 СС
Система смазки двигателя снегохода STELS АТАМАН 600 СС
Спец.инструмент снегохода STELS АТАМАН 600 СС
Стекло ветровое и облицовка фар снегохода STELS АТАМАН 600 СС
Тормозная система снегохода STELS АТАМАН 600 СС
Трансмиссия снегохода STELS АТАМАН 600 СС
Цилиндр в сборе снегохода STELS АТАМАН 600 СС
Щиток АКБ снегохода STELS АТАМАН 600 СС
Щиток корпуса левый снегохода STELS АТАМАН 600 СС
Щиток корпуса правый снегохода STELS АТАМАН 600 СС
Щиток топливного бака снегохода STELS АТАМАН 600 СС
Электрооборудование (часть 1) снегохода STELS АТАМАН 600 СС
Электрооборудование (часть 2) снегохода STELS АТАМАН 600 СС
Запчасти для снегохода STELS АТАМАН 800
Бампер передний, левый снегохода STELS АТАМАН 800 СС
Бампер передний, правый снегохода STELS АТАМАН 800 СС
Вал ведущий снегохода STELS АТАМАН 800 СС
Вариатор (ведомый шкив) снегохода STELS АТАМАН 800 СС
Вариатор (ведущий шкив) снегохода STELS АТАМАН 800 СС
Глушитель шума впуска снегохода STELS АТАМАН 800 СС
Головка цилиндра ДВС (задняя, с ручным стартером) снегохода STELS АТАМАН 800 СС
Головка цилиндра ДВС (задняя, с электростартером) снегохода STELS АТАМАН 800 СС
Головка цилиндра ДВС (передняя, с ручным стартером) снегохода STELS АТАМАН 800 СС
Головка цилиндра ДВС снегохода STELS АТАМАН 800 СС
Двигатель снегохода STELS АТАМАН 800 СС
Движитель гусеничный снегохода STELS АТАМАН 800 СС
Днище снегохода STELS АТАМАН 800 СС
Капот снегохода STELS АТАМАН 800 СС
Картер ДВС снегохода STELS АТАМАН 800 СС
Кожух вариатора снегохода STELS АТАМАН 800 СС
Кожух верхний в сборе снегохода STELS АТАМАН 800 СС
Корпус снегохода STELS АТАМАН 800 СС
КПП снегохода STELS АТАМАН 800 СС
Кронштейн ручного стартера снегохода STELS АТАМАН 800 СС
Механизм переключения передач снегохода STELS АТАМАН 800 СС
Наклейки снегохода STELS АТАМАН 800 СС
Подвеска передняя снегохода STELS АТАМАН 800 СС
Рама снегохода STELS АТАМАН 800 СС
Рулевое управление снегохода STELS АТАМАН 800 СС
Сиденье снегохода STELS АТАМАН 800 СС
Система выпуска отработавших газов снегохода STELS АТАМАН 800 СС
Система охлаждения двигателя снегохода STELS АТАМАН 800 СС
Система питания двигателя снегохода STELS АТАМАН 800 СС
Система подачи топлива двигателя снегохода STELS АТАМАН 800 СС
Система смазки ДВС снегохода STELS АТАМАН 800 СС
Спец.инструмент снегохода STELS АТАМАН 800 СС
Стекло ветровое и облицовка фар снегохода STELS АТАМАН 800 СС
Топливный бак снегохода STELS АТАМАН 800 СС
Тормозная система снегохода STELS АТАМАН 800 СС
Трансмиссия снегохода STELS АТАМАН 800 СС
ЦПГ и КШМ ДВС снегохода STELS АТАМАН 800 СС
Щиток АКБ снегохода STELS АТАМАН 800 СС
Щиток корпуса левый снегохода STELS АТАМАН 800 СС
Щиток корпуса правый снегохода STELS АТАМАН 800 СС
Щиток топливного бака снегохода STELS АТАМАН 800 СС
Электрооборудование (запуск от ручного стартера) снегохода STELS АТАМАН 800 СС
Электрооборудование (запуск от электростартера) снегохода STELS АТАМАН 800 СС
Электрооборудование (часть 1) снегохода STELS АТАМАН 800 СС
Электрооборудование (часть 2) снегохода STELS АТАМАН 800 СС
Элементы системы охлаждения ДВС снегохода STELS АТАМАН 800 СС
Запчасти для снегохода STELS ВИТЯЗЬ 800
Бампер передний снегохода STELS ВИТЯЗЬ 800
Вал ведущий снегохода STELS ВИТЯЗЬ 800
Вариатор (ведомый шкив) снегохода STELS ВИТЯЗЬ 800
Вариатор (ведущий шкив) снегохода STELS ВИТЯЗЬ 800
Глушитель шума впуска снегохода STELS ВИТЯЗЬ 800
Головка цилиндра ДВС (задняя, с ручным стартером) снегохода STELS ВИТЯЗЬ 800
Головка цилиндра ДВС (задняя, с электростартером) снегохода STELS ВИТЯЗЬ 800
Головка цилиндра ДВС (передняя, с ручным стартером) снегохода STELS ВИТЯЗЬ 800
ГОЛОВКА ЦИЛИНДРА ДВС (ПЕРЕДНЯЯ, С ЭЛЕКТРОСТАРТЕРОМ) снегохода STELS ВИТЯЗЬ 800
Двигатель снегохода STELS ВИТЯЗЬ 800
Детали корпуса снегохода STELS ВИТЯЗЬ 800
Задняя подвеска снегохода STELS ВИТЯЗЬ 800
Защита картера снегохода STELS ВИТЯЗЬ 800
Защита радиатора снегохода STELS ВИТЯЗЬ 800
Капот снегохода STELS ВИТЯЗЬ 800
Картер ДВС снегохода STELS ВИТЯЗЬ 800
Кожух вариатора снегохода STELS ВИТЯЗЬ 800
Кожух верхний в сборе снегохода STELS ВИТЯЗЬ 800
Кожух корпуса снегохода STELS ВИТЯЗЬ 800
Кожух нижний снегохода STELS ВИТЯЗЬ 800
КПП снегохода STELS ВИТЯЗЬ 800
Кронштейн ручного стартера снегохода STELS ВИТЯЗЬ 800
Лыжа в сборе снегохода STELS ВИТЯЗЬ 800
Механизм переключения передач снегохода STELS ВИТЯЗЬ 800
Наклейки снегохода STELS ВИТЯЗЬ 800
Подвеска передняя снегохода STELS ВИТЯЗЬ 800
Рама снегохода STELS ВИТЯЗЬ 800
Рулевая тяга снегохода STELS ВИТЯЗЬ 800
Рулевое управление снегохода STELS ВИТЯЗЬ 800
Рычаг верхний, в сборе снегохода STELS ВИТЯЗЬ 800
Рычаг нижний, в сборе снегохода STELS ВИТЯЗЬ 800
Сиденье водителя снегохода STELS ВИТЯЗЬ 800
Система выпуска отработавших газов снегохода STELS ВИТЯЗЬ 800
Система охлаждения двигателя снегохода STELS ВИТЯЗЬ 800
Система питания двигателя снегохода STELS ВИТЯЗЬ 800
Система подачи топлива двигателя снегохода STELS ВИТЯЗЬ 800
Система смазки ДВС снегохода STELS ВИТЯЗЬ 800
Спец.инструмент снегохода STELS ВИТЯЗЬ 800
Стабилизатор снегохода STELS ВИТЯЗЬ 800
Стойка лыж, левая снегохода STELS ВИТЯЗЬ 800
Стойка лыж, правая снегохода STELS ВИТЯЗЬ 800
Топливный бак снегохода STELS ВИТЯЗЬ 800
Тормозная система снегохода STELS ВИТЯЗЬ 800
Трансмиссия снегохода STELS ВИТЯЗЬ 800
ЦПГ и КШМ ДВС снегохода STELS ВИТЯЗЬ 800
Чехол рулевых тяг снегохода STELS ВИТЯЗЬ 800
Щиток АКБ снегохода STELS ВИТЯЗЬ 800
Щиток топливного бака снегохода STELS ВИТЯЗЬ 800
Электрооборудование (запуск от ручного стартера) снегохода STELS ВИТЯЗЬ 800
Электрооборудование (запуск от электростартера) снегохода STELS ВИТЯЗЬ 800
Электрооборудование (часть 1) снегохода STELS ВИТЯЗЬ 800
Электрооборудование (часть 2) снегохода STELS ВИТЯЗЬ 800
Элементы системы охлаждения ДВС снегохода STELS ВИТЯЗЬ 800
Запчасти для снегохода STELS ЕРМАК 600S/600L
Вариатор (ведомый шкив) снегохода STELS ЕРМАК 600S/600L
Вариатор (ведущий шкив) снегохода STELS ЕРМАК 600S/600L
Движитель гусеничный снегохода STELS ЕРМАК 600L
Движитель гусеничный снегохода STELS ЕРМАК 600S
Задняя подвеска снегохода STELS ЕРМАК 600L
Задняя подвеска снегохода STELS ЕРМАК 600S
Капот снегохода STELS ЕРМАК 600S/600L
Картер ДВС снегохода STELS ЕРМАК 600S/600L
Кожух капота, передний (двухлыжный) снегохода STELS ЕРМАК 600S/600L
Кожух капота, передний (однолыжный) снегохода STELS ЕРМАК 600S/600L
Кожуха двигателя снегохода STELS ЕРМАК 600S/600L
КПП снегохода STELS ЕРМАК 600S/600L
Механизм переключения передач снегохода STELS ЕРМАК 600S/600L
Наклейки снегохода STELS ЕРМАК 600S/600L
Натяжное устройство снегохода STELS ЕРМАК 600S/600L
Подвеска двигателя снегохода STELS ЕРМАК 600S/600L
Подвеска передняя и лыжа (двухлыжный) снегохода STELS ЕРМАК 600S/600L
Подвеска передняя и лыжа (однолыжный) снегохода STELS ЕРМАК 600S/600L
Поршень, шатун, коленвал снегохода STELS ЕРМАК 600S/600L
Рама (двухлыжный) снегохода STELS ЕРМАК 600L
Рама (однолыжный) снегохода STELS ЕРМАК 600L
Рама (однолыжный) снегохода STELS ЕРМАК 600S
Рулевое управление (двухлыжный) снегохода STELS ЕРМАК 600S/600L
Рулевое управление (однолыжный) снегохода STELS ЕРМАК 600S/600L
Сиденье водителя снегохода STELS ЕРМАК 600S/600L
Сиденье пассажира снегохода STELS ЕРМАК 600S/600L
Система воздушного охлаждения двигателя снегохода STELS ЕРМАК 600S/600L
Система выпуска отработавших газов снегохода STELS ЕРМАК 600S/600L
Система запуска двигателя снегохода STELS ЕРМАК 600S/600L
Система подачи топлива двигателя снегохода STELS ЕРМАК 600S/600L
Спец.инструмент снегохода STELS ЕРМАК 600S/600L
Стабилизатор поперечной устойчивости снегохода STELS ЕРМАК 600L
Стартер ручной снегохода STELS ЕРМАК 600S/600L
Тормозная система снегохода STELS ЕРМАК 600S/600L
Тубус снегохода STELS ЕРМАК 600S/600L
Цилиндр в сборе снегохода STELS ЕРМАК 600S/600L
Щиток приборов снегохода STELS ЕРМАК 600S/600L
Электрооборудование (часть 1) снегохода STELS ЕРМАК 600S/600L
Электрооборудование (часть 2) снегохода STELS ЕРМАК 600S/600L
Ящик вещевой снегохода STELS ЕРМАК 600S/600L
Запчасти для снегохода STELS ЕРМАК 800S/800L
Головка цилиндра ДВС (задняя, с ручным стартером) снегохода STELS ЕРМАК 800S/800L
Головка цилиндра ДВС (задняя, с электростартером) снегохода STELS ЕРМАК 800S/800L
Головка цилиндра ДВС (передняя, с ручным стартером) снегохода STELS ЕРМАК 800S/800L
Головка цилиндра ДВС (передняя, с электростартером) снегохода STELS ЕРМАК 800S/800L
Движитель гусеничный снегохода STELS ЕРМАК 800L
Движитель гусеничный снегохода STELS ЕРМАК 800S
Задняя подвеска снегохода STELS ЕРМАК 800L
Задняя подвеска снегохода STELS ЕРМАК 800S
Капот снегохода STELS ЕРМАК 800S/800L
Картер ДВС снегохода STELS ЕРМАК 800S/800L
Кожух капота, передний (двухлыжный) снегохода STELS ЕРМАК 800S/800L
Кожух капота, передний (однолыжный) снегохода STELS ЕРМАК 800S/800L
Кожуха двигателя снегохода STELS ЕРМАК 800S/800L
КПП снегохода STELS ЕРМАК 800S/800L
Механизм переключения передач снегохода STELS ЕРМАК 800S/800L
Наклейки снегохода STELS ЕРМАК 800S/800L
Натяжное устройство снегохода STELS ЕРМАК 800S/800L
Подвеска двигателя снегохода STELS ЕРМАК 800S/800L
Подвеска передняя и лыжа (двухлыжный) снегохода STELS ЕРМАК 800S/800L
Подвеска передняя и лыжа (однолыжный) снегохода STELS ЕРМАК 800S/800L
Рама (двухлыжный) снегохода STELS ЕРМАК 800L
Рама (однолыжный) снегохода STELS ЕРМАК 800L
Рулевое управление (двухлыжный) снегохода STELS ЕРМАК 800S/800L
Рулевое управление (однолыжный) снегохода STELS ЕРМАК 800S/800L
Сиденье водителя снегохода STELS ЕРМАК 800S/800L
Сиденье пассажира снегохода STELS ЕРМАК 800S/800L
Система выпуска отработавших газов снегохода STELS ЕРМАК 800S/800L
Система охлаждения ДВС снегохода STELS ЕРМАК 800S/800L
Система подачи топлива двигателя (часть 1) снегохода STELS ЕРМАК 800S/800L
Система подачи топлива двигателя (часть 2) снегохода STELS ЕРМАК 800S/800L
Система смазки ДВС снегохода STELS ЕРМАК 800S/800L
Спец.инструмент снегохода STELS ЕРМАК 800S/800L
Стабилизатор поперечной устойчивости снегохода STELS ЕРМАК 800L
Тормозная система снегохода STELS ЕРМАК 800S/800L
Тубус снегохода STELS ЕРМАК 800S/800L
ЦПГ и КШМ ДВС снегохода STELS ЕРМАК 800S/800L
Щиток приборов снегохода STELS ЕРМАК 800S/800L
Электрооборудование (запуск от ручного стартера) снегохода STELS ЕРМАК 800S/800L
Электрооборудование (запуск от электростартера) снегохода STELS ЕРМАК 800S/800L
Электрооборудование (часть 1) снегохода STELS ЕРМАК 800S/800L
Электрооборудование (часть 2) снегохода STELS ЕРМАК 800S/800L
Элементы системы охлаждения ДВС снегохода STELS ЕРМАК 800S/800L
Ящик вещевой снегохода STELS ЕРМАК 800S/800L
Запчасти для снегохода STELS Капитан 150/200
Вариатор снегохода STELS КАПИТАН 150/200
Выхлопная система снегохода STELS КАПИТАН 150/200
Главная передача. Вал ведущий снегохода STELS КАПИТАН 150/200
Главная передача. Тормозная система снегохода STELS КАПИТАН 150/200
Головка цилиндра ДВС снегохода STELS КАПИТАН 150/200
Движитель гусеничный снегохода STELS КАПИТАН 150/200
ДВС (часть 1) снегохода STELS КАПИТАН 150/200
ДВС (часть 2) снегохода STELS КАПИТАН 150/200
Карбюратор и воздушный фильтр снегохода STELS КАПИТАН 150/200
Картер двигателя, левый / правый снегохода STELS КАПИТАН 150/200
Коробка передач снегохода STELS КАПИТАН 150/200
Крышка вентилятора и кожух снегохода STELS КАПИТАН 150/200
Крышка головки цилиндра снегохода STELS КАПИТАН 150/200
Крышка картера, левая снегохода STELS КАПИТАН 150/200
Крышка картера, правая снегохода STELS КАПИТАН 150/200
Лыжи снегохода STELS КАПИТАН 150/200
Магнето снегохода STELS КАПИТАН 150/200
Масляный радиатор снегохода STELS КАПИТАН 150/200
Механизм газораспределения снегохода STELS КАПИТАН 150/200
Насос масляный снегохода STELS КАПИТАН 150/200
Облицовка. Пластик снегохода STELS КАПИТАН 150/200
Передняя подвеска снегохода STELS КАПИТАН 150/200
Рама снегохода STELS КАПИТАН 150/200
Ролики поддерживающие снегохода STELS КАПИТАН 150/200
Рулевое управление снегохода STELS КАПИТАН 150/200
Рычаг переключения передач (часть 1) снегохода STELS КАПИТАН 150/200
Рычаг переключения передач (часть 2) снегохода STELS КАПИТАН 150/200
Седло снегохода STELS КАПИТАН 150/200
Стартер снегохода STELS КАПИТАН 150/200
Топливный бак снегохода STELS КАПИТАН 150/200
Цилиндр ДВС снегохода STELS КАПИТАН 150/200
ЦПГ и КШМ ДВС снегохода STELS КАПИТАН 150/200
Электрические компоненты снегохода STELS КАПИТАН 150/200
Запчасти для снегохода STELS МОРОЗ 600S/600L/600XL
Брызговики снегохода STELS МОРОЗ 600S/600L/600XL
Вал ведущий снегохода STELS МОРОЗ 600S/600L/600XL
Вал натяжной снегохода STELS МОРОЗ 600S/600L/600XL
Вариатор снегохода STELS МОРОЗ 600S/600L/600XL
Двигатель снегохода STELS МОРОЗ 600S/600L/600XL
Задняя подвеска снегохода STELS МОРОЗ 600L/600XL
Задняя подвеска снегохода STELS МОРОЗ 600S
Капот снегохода STELS МОРОЗ 600S/600L/600XL
Каретка (SR600-29100010) снегохода STELS МОРОЗ 600S/600L/600XL
Каретка (SR600-29100100) снегохода STELS МОРОЗ 600S/600L/600XL
Картер ДВС снегохода STELS МОРОЗ 600S/600L/600XL
Кожух двигателя снегохода STELS МОРОЗ 600S/600L/600XL
Комплект доработки рулевого управления снегохода STELS МОРОЗ 600S/600L/600XL
КПП снегохода STELS МОРОЗ 600S/600L/600XL
Механизм переключения передач снегохода STELS МОРОЗ 600S/600L/600XL
Наклейки снегохода STELS МОРОЗ 600S/600L/600XL
Подвеска передняя снегохода STELS МОРОЗ 600S/600L/600XL
Поршень, шатун, коленвал снегохода STELS МОРОЗ 600S/600L/600XL
Рама снегохода STELS МОРОЗ 600L/600XL
Рама снегохода STELS МОРОЗ 600S
Рулевое управление снегохода STELS МОРОЗ 600S/600L/600XL
Сиденье водителя снегохода STELS МОРОЗ 600S/600L/600XL
Система воздушного охлаждения двигателя снегохода STELS МОРОЗ 600S/600L/600XL
Система выпуска отработавших газов снегохода STELS МОРОЗ 600S/600L/600XL
Система запуска двигателя снегохода STELS МОРОЗ 600S/600L/600XL
Система питания двигателя снегохода STELS МОРОЗ 600S/600L/600XL
Спец.инструмент снегохода STELS МОРОЗ 600S/600L/600XL
Стартер ручной снегохода STELS МОРОЗ 600S/600L/600XL
Тормозная система снегохода STELS МОРОЗ 600S/600L/600XL
Цилиндр в сборе снегохода STELS МОРОЗ 600S/600L/600XL
Щиток приборов снегохода STELS МОРОЗ 600S/600L/600XL
Электрооборудование (часть 1) снегохода STELS МОРОЗ 600S/600L/600XL
Электрооборудование (часть 2) снегохода STELS МОРОЗ 600S/600L/600XL
Запчасти для снегохода STELS РОСОМАХА 800S (ДВС ОDES)
Багажник задний снегохода STELS РОСОМАХА 800S (ДВС ОDES)
Вариатор, ведомый шкив (производитель GK) снегохода STELS РОСОМАХА 800S (ДВС ОDES)
Вариатор, ведущий шкив (производитель GK) снегохода STELS РОСОМАХА 800S (ДВС ОDES)
Головка цилиндра ДВС (задняя) снегохода STELS РОСОМАХА 800S (ДВС ОDES)
Головка цилиндра ДВС (передняя) снегохода STELS РОСОМАХА 800S (ДВС ОDES)
Грязезащитные щитки снегохода STELS РОСОМАХА 800S (ДВС ОDES)
ДВС снегохода STELS РОСОМАХА 800S (ДВС ОDES)
Задняя подвеска (усиленная) снегохода STELS РОСОМАХА 800S (ДВС ОDES)
Задняя подвеска снегохода STELS РОСОМАХА 800S (ДВС ОDES)
Капот снегохода Rossomaxa снегохода STELS РОСОМАХА 800S (ДВС ОDES)
Картер ДВС снегохода STELS РОСОМАХА 800S (ДВС ОDES)
Кофр снегохода STELS РОСОМАХА 800S (ДВС ОDES)
КПП снегохода STELS РОСОМАХА 800S (ДВС ОDES)
Наклейки снегохода STELS РОСОМАХА 800S (ДВС ОDES)
Передок снегохода STELS РОСОМАХА 800S (ДВС ОDES)
Подвеска ДВС снегохода STELS РОСОМАХА 800S (ДВС ОDES)
Подвеска передняя снегохода STELS РОСОМАХА 800S (ДВС ОDES)
Привод гусеничного движителя снегохода STELS РОСОМАХА 800S (ДВС ОDES)
Рама снегохода STELS РОСОМАХА 800S (ДВС ОDES)
Рулевое управление снегохода STELS РОСОМАХА 800S (ДВС ОDES)
Сиденье снегохода STELS РОСОМАХА 800S (ДВС ОDES)
Система выпуска отработавших газов снегохода STELS РОСОМАХА 800S (ДВС ОDES)
Система охлаждения ДВС снегохода STELS РОСОМАХА 800S (ДВС ОDES)
Система питания ДВС снегохода STELS РОСОМАХА 800S (ДВС ОDES)
Система смазки ДВС снегохода STELS РОСОМАХА 800S (ДВС ОDES)
Спец.инструмент снегохода STELS РОСОМАХА 800S (ДВС ОDES)
Тормоз гидравлический снегохода STELS РОСОМАХА 800S (ДВС ОDES)
ЦПГ и КШМ ДВС снегохода STELS РОСОМАХА 800S (ДВС ОDES)
Электрооборудование (часть 1) снегохода STELS РОСОМАХА 800S (ДВС ОDES)
Электрооборудование (часть 2) снегохода STELS РОСОМАХА 800S (ДВС ОDES)
Электрооборудование (часть 3) снегохода STELS РОСОМАХА 800S (ДВС ОDES)
Электрооборудование (часть 4) снегохода STELS РОСОМАХА 800S (ДВС ОDES)
Элементы системы охлаждения ДВС снегохода STELS РОСОМАХА 800S (ДВС ОDES)
Запчасти для снегохода STELS РОСОМАХА 800СС (ДВС GAOKIN)
Багажник задний снегохода STELS РОСОМАХА 800СС (ДВС GAOKIN)
Вариатор, ведомый шкив (производитель GK) снегохода STELS РОСОМАХА 800СС (ДВС GAOKIN)
Вариатор, ведущий шкив (производитель GK) снегохода STELS РОСОМАХА 800СС (ДВС GAOKIN)
Головка цилиндра ДВС (задняя, с ручным стартером) снегохода STELS РОСОМАХА 800СС (ДВС GAOKIN)
Головка цилиндра ДВС (задняя, с электростартером) снегохода STELS РОСОМАХА 800СС (ДВС GAOKIN)
Головка цилиндра ДВС (передняя, с ручным стартером) снегохода STELS РОСОМАХА 800СС (ДВС GAOKIN)
Головка цилиндра ДВС (передняя, с электростартером) снегохода STELS РОСОМАХА 800СС (ДВС GAOKIN)
Грязезащитные щитки снегохода STELS РОСОМАХА 800СС (ДВС GAOKIN)
ДВС снегохода STELS РОСОМАХА 800СС (ДВС GAOKIN)
Задняя подвеска (усиленная) снегохода STELS РОСОМАХА 800СС (ДВС GAOKIN)
Задняя подвеска снегохода STELS РОСОМАХА 800СС (ДВС GAOKIN)
Капот снегохода STELS РОСОМАХА 800СС (ДВС GAOKIN)
Картер ДВС снегохода STELS РОСОМАХА 800СС (ДВС GAOKIN)
Кофр снегохода STELS РОСОМАХА 800СС (ДВС GAOKIN)
КПП снегохода STELS РОСОМАХА 800СС (ДВС GAOKIN)
Наклейки снегохода STELS РОСОМАХА 800СС (ДВС GAOKIN)
Передок снегохода STELS РОСОМАХА 800СС (ДВС GAOKIN)
Подвеска ДВС снегохода STELS РОСОМАХА 800СС (ДВС GAOKIN)
Подвеска передняя снегохода STELS РОСОМАХА 800СС (ДВС GAOKIN)
Привод гусеничного движителя снегохода STELS РОСОМАХА 800СС (ДВС GAOKIN)
Рама снегохода STELS РОСОМАХА 800СС (ДВС GAOKIN)
Рулевое управление снегохода STELS РОСОМАХА 800СС (ДВС GAOKIN)
Сиденье снегохода STELS РОСОМАХА 800СС (ДВС GAOKIN)
Система выпуска отработавших газов снегохода STELS РОСОМАХА 800СС (ДВС GAOKIN)
Система охлаждения с широким радиатором снегохода STELS РОСОМАХА 800СС (ДВС GAOKIN)
Система питания ДВС снегохода STELS РОСОМАХА 800СС (ДВС GAOKIN)
Система смазки ДВС снегохода STELS РОСОМАХА 800СС (ДВС GAOKIN)
Спец.инструмент снегохода STELS РОСОМАХА 800СС (ДВС GAOKIN)
Тормоз гидравлический снегохода STELS РОСОМАХА 800СС (ДВС GAOKIN)
ЦПГ и КШМ ДВС снегохода STELS РОСОМАХА 800СС (ДВС GAOKIN)
Электрооборудование (запуск от ручного стартера) снегохода STELS РОСОМАХА 800СС (ДВС GAOKIN)
Электрооборудование (запуск от электростартера) снегохода STELS РОСОМАХА 800СС (ДВС GAOKIN)
Электрооборудование (часть 1) снегохода STELS РОСОМАХА 800СС (ДВС GAOKIN)
Электрооборудование (часть 2) снегохода STELS РОСОМАХА 800СС (ДВС GAOKIN)
Электрооборудование (часть 3) снегохода STELS РОСОМАХА 800СС (ДВС GAOKIN)
Элементы системы охлаждения ДВС снегохода STELS РОСОМАХА 800СС (ДВС GAOKIN)
Запчасти для снегоходов РУССКАЯ МЕХАНИКА
Запчасти для снегохода РМ (РУССКАЯ МЕХАНИКА) VECTOR 551I
Вал ведущий S10200090 и гусеница снегохода РМ (РУССКАЯ МЕХАНИКА) VECTOR 551I
Вал коленчатый S10500250, поршни снегохода РМ (РУССКАЯ МЕХАНИКА) VECTOR 551I
Двигатель К20500610 снегохода РМ (РУССКАЯ МЕХАНИКА) VECTOR 551I
Движитель гусеничный S10200100 снегохода РМ (РУССКАЯ МЕХАНИКА) VECTOR 551I
Картер S10500280-01 снегохода РМ (РУССКАЯ МЕХАНИКА) VECTOR 551I
Коробка передач S10600100 снегохода РМ (РУССКАЯ МЕХАНИКА) VECTOR 551I
Корпус S10100200 снегохода РМ (РУССКАЯ МЕХАНИКА) VECTOR 551I
Крепление двигателя снегохода РМ (РУССКАЯ МЕХАНИКА) VECTOR 551I
Механизм переключения снегохода РМ (РУССКАЯ МЕХАНИКА) VECTOR 551I
Накладки термо- и шумоизолирующие снегохода РМ (РУССКАЯ МЕХАНИКА) VECTOR 551I
Органы управления, осветтельные и сигнальные приборы, датчики снегохода РМ (РУССКАЯ МЕХАНИКА) VECTOR 551I
Подвеска передняя и лыжа для S10300100 снегохода РМ (РУССКАЯ МЕХАНИКА) VECTOR 551I
Регулятор центробежный С40601900-08 снегохода РМ (РУССКАЯ МЕХАНИКА) VECTOR 551I
Сиденья S10100300_350 снегохода РМ (РУССКАЯ МЕХАНИКА) VECTOR 551I
Система впрыска масла снегохода РМ (РУССКАЯ МЕХАНИКА) VECTOR 551I
Система впуска S10800500 снегохода РМ (РУССКАЯ МЕХАНИКА) VECTOR 551I
Система выпуска снегохода РМ (РУССКАЯ МЕХАНИКА) VECTOR 551I
Система зажигания снегохода РМ (РУССКАЯ МЕХАНИКА) VECTOR 551I
Система охлаждения снегохода РМ (РУССКАЯ МЕХАНИКА) VECTOR 551I
Система питания S10800160 снегохода РМ (РУССКАЯ МЕХАНИКА) VECTOR 551I
Система электрозапуска снегохода РМ (РУССКАЯ МЕХАНИКА) VECTOR 551I
Стартер ручной С40500220-01 снегохода РМ (РУССКАЯ МЕХАНИКА) VECTOR 551I
Трансмиссия S10600300 снегохода РМ (РУССКАЯ МЕХАНИКА) VECTOR 551I
Управление рулевое S10300100 снегохода РМ (РУССКАЯ МЕХАНИКА) VECTOR 551I
Цилиндровая группа снегохода РМ (РУССКАЯ МЕХАНИКА) VECTOR 551I
Шкив ведомый L40600500-02 снегохода РМ (РУССКАЯ МЕХАНИКА) VECTOR 551I
Запчасти для снегохода РМ (РУССКАЯ МЕХАНИКА) СММ РЫБИНКА M10000010-01 (ВЫПУСК С 09.2012 ПО 10.2013)
Вал ведущий М10200180 для СММ РЫБИНКА M10000010-01 (ВЫПУСК С 09.2012 ПО 10.2013)
Вал коленчатый для СММ РЫБИНКА M10000010-01 (ВЫПУСК С 09.2012 ПО 10.2013)
Воздухозаборник для СММ РЫБИНКА M10000010-01 (ВЫПУСК С 09.2012 ПО 10.2013)
Глушитель для СММ РЫБИНКА M10000010-01 (ВЫПУСК С 09.2012 ПО 10.2013)
Группа картерная для СММ РЫБИНКА M10000010-01 (ВЫПУСК С 09.2012 ПО 10.2013)
Двигатель Kohler CH270-0115 для СММ РЫБИНКА M10000010-01 (ВЫПУСК С 09.2012 ПО 10.2013)
Движитель М10000010-01 для СММ РЫБИНКА M10000010-01 (ВЫПУСК С 09.2012 ПО 10.2013)
Дополнительные принадлежности к электрооборудованию для СММ РЫБИНКА M10000010-01 (ВЫПУСК С 09.2012 ПО 10.2013)
Капот M10700050 для СММ РЫБИНКА M10000010-01 (ВЫПУСК С 09.2012 ПО 10.2013)
Корпус M10000010-01 для СММ РЫБИНКА M10000010-01 (ВЫПУСК С 09.2012 ПО 10.2013)
Корпус вентилятора для СММ РЫБИНКА M10000010-01 (ВЫПУСК С 09.2012 ПО 10.2013)
Платформа M10600160 для СММ РЫБИНКА M10000010-01 (ВЫПУСК С 09.2012 ПО 10.2013)
Подвеска передняя и лыжа для М10000010-01 для СММ РЫБИНКА M10000010-01 (ВЫПУСК С 09.2012 ПО 10.2013)
Сиденье M10100340 для СММ РЫБИНКА M10000010-01 (ВЫПУСК С 09.2012 ПО 10.2013)
Система зажигания для СММ РЫБИНКА M10000010-01 (ВЫПУСК С 09.2012 ПО 10.2013)
Система питания для СММ РЫБИНКА M10000010-01 (ВЫПУСК С 09.2012 ПО 10.2013)
Система смазки для СММ РЫБИНКА M10000010-01 (ВЫПУСК С 09.2012 ПО 10.2013)
Средства управления двигателем для СММ РЫБИНКА M10000010-01 (ВЫПУСК С 09.2012 ПО 10.2013)
Стартер ручной для СММ РЫБИНКА M10000010-01 (ВЫПУСК С 09.2012 ПО 10.2013)
Тормоз ленточный для СММ РЫБИНКА M10000010-01 (ВЫПУСК С 09.2012 ПО 10.2013)
Управление рулевое М10300250 для СММ РЫБИНКА M10000010-01 (ВЫПУСК С 09.2012 ПО 10.2013)
Электрооборудование для СММ РЫБИНКА M10000010-01 (ВЫПУСК С 09.2012 ПО 10.2013)
Запчасти для снегохода РМ (РУССКАЯ МЕХАНИКА) ТАЙГА PATRUL 551 SWT
Вал ведущий C40200790 снегохода ТАЙГА PATRUL 551 SWT
Вал ведущий L30201330 снегохода ТАЙГА PATRUL 551 SWT
Вал коленчатый K20500350, поршни снегохода ТАЙГА PATRUL 551 SWT
Вал коленчатый К20500160, поршни снегохода ТАЙГА PATRUL 551 SWT
Глушитель шума впуска С40800300 снегохода ТАЙГА PATRUL 551 SWT
Двигатель К20500600 снегохода ТАЙГА PATRUL 551 SWT
Движитель C40200600 снегохода ТАЙГА PATRUL 551 SWT
Капот C40700750 снегохода ТАЙГА PATRUL 551 SWT
Картер двигателя К20500150 снегохода ТАЙГА PATRUL 551 SWT
Коробка передач С40602950 снегохода ТАЙГА PATRUL 551 SWT
Коробка перемены передач С40601800 снегохода ТАЙГА PATRUL 551 SWT
Корпус С40101750 снегохода ТАЙГА PATRUL 551 SWT
Корпус С40102490 снегохода ТАЙГА PATRUL 551 SWT
Корпус С40102590 снегохода ТАЙГА PATRUL 551 SWT
Крепление двигателя снегохода ТАЙГА PATRUL 551 SWT
Наклейки снегохода ТАЙГА PATRUL 551 SWT
Органы управления, осветительные и сигнальные приборы снегохода ТАЙГА PATRUL 551 SWT
Подвеска передняя и лыжа для C40301100 снегохода ТАЙГА PATRUL 551 SWT
Подвеска передняя и лыжа снегохода ТАЙГА PATRUL 551 SWT
Привод водяного насоса снегохода ТАЙГА PATRUL 551 SWT
Регулятор центробежный C40601900-02 снегохода ТАЙГА PATRUL 551 SWT
Регулятор центробежный С40601900-06 снегохода ТАЙГА PATRUL 551 SWT
Сиденье С40103690 снегохода ТАЙГА PATRUL 551 SWT
Система впрыска масла C40800360-02 снегохода ТАЙГА PATRUL 551 SWT
Система выпуска снегохода ТАЙГА PATRUL 551 SWT
Система зажигания(DUCATI) снегохода ТАЙГА PATRUL 551 SWT
Система охлаждения снегохода ТАЙГА PATRUL 551 SWT
Система питания С40800600 снегохода ТАЙГА PATRUL 551 SWT
Система электрозапуска снегохода ТАЙГА PATRUL 551 SWT
Стартер ручной С40500220-01 снегохода ТАЙГА PATRUL 551 SWT
Трансмиссия С40601700-03 снегохода ТАЙГА PATRUL 551 SWT
Трансмиссия снегохода ТАЙГА PATRUL 551 SWT
Тросы снегохода ТАЙГА PATRUL 551 SWT
Управление рулевое С40301400 снегохода ТАЙГА PATRUL 551 SWT
Установка привода водяного насоса К20500040 снегохода ТАЙГА PATRUL 551 SWT
Цилиндровая группа снегохода ТАЙГА PATRUL 551 SWT
Шкив вариатора ведомый C40601500 снегохода ТАЙГА PATRUL 551 SWT
Запчасти для снегохода РМ (РУССКАЯ МЕХАНИКА) ТАЙГА ВАРЯГ 550 V
Вал ведущий L30201510 снегохода ТАЙГА ВАРЯГ 550 V
Вал коленчатый С40500790, поршни снегохода ТАЙГА ВАРЯГ 550 V
Вариатор снегохода ТАЙГА ВАРЯГ 550 V
Глушитель шума впуска С40500010-01 снегохода ТАЙГА ВАРЯГ 550 V
Глушитель шума впуска С40800300 снегохода ТАЙГА ВАРЯГ 550 V
Двигатель снегохода ТАЙГА ВАРЯГ 550 V
Движитель гусеничный L30201500 снегохода ТАЙГА ВАРЯГ 550 V
Дополнительные принадлежности к электрооборудованию снегохода ТАЙГА ВАРЯГ 550 V
Капот С40700630 снегохода ТАЙГА ВАРЯГ 550 V
Капот С40700680 снегохода ТАЙГА ВАРЯГ 550 V
Картер двигателя С40501110 для к/вала С40500610 снегохода ТАЙГА ВАРЯГ 550 V
Коробка передач C40600100 снегохода ТАЙГА ВАРЯГ 550 V
Коробка перемены передач L30601100-01 снегохода ТАЙГА ВАРЯГ 550 V
Корпус снегохода ТАЙГА ВАРЯГ 550 V
Крепление двигателя снегохода ТАЙГА ВАРЯГ 550 V
Наклейки С40700680 снегохода ТАЙГА ВАРЯГ 550 V
Органы управления, осветительные и сигнальные приборы снегохода ТАЙГА ВАРЯГ 550 V
Подвеска передняя и лыжа снегохода ТАЙГА ВАРЯГ 550 V
Регулятор центробежный С40601900 снегохода ТАЙГА ВАРЯГ 550 V
Регулятор центробежный С40601900-07 снегохода ТАЙГА ВАРЯГ 550 V
Сиденье С40103640 снегохода ТАЙГА ВАРЯГ 550 V
Система выпуска снегохода ТАЙГА ВАРЯГ 550 V
Система зажигания(DUCATI) снегохода ТАЙГА ВАРЯГ 550 V
Система охлаждения снегохода ТАЙГА ВАРЯГ 550 V
Система питания C40800120 снегохода ТАЙГА ВАРЯГ 550 V
Система питания C40800370-01 (2 карбюратора) снегохода ТАЙГА ВАРЯГ 550 V
Система электрозапуска снегохода ТАЙГА ВАРЯГ 550 V
Стартер ручной С40500220-01 снегохода ТАЙГА ВАРЯГ 550 V
Трансмиссия С40601700-05 снегохода ТАЙГА ВАРЯГ 550 V
Трансмиссия С40601700-08 снегохода ТАЙГА ВАРЯГ 550 V
Тросы снегохода ТАЙГА ВАРЯГ 550 V
Управление рулевое С40301800 аннулировано в 08.2013, заменёно на С40302900 снегохода ТАЙГА ВАРЯГ 550 V
Управление рулевое С40302900 введено с 08.2013 взамен С40301800 снегохода ТАЙГА ВАРЯГ 550 V
Цилиндровая группа и элементы систем впуска и выпуска снегохода ТАЙГА ВАРЯГ 550 V
Шкив вариатора ведомый C40601500 снегохода ТАЙГА ВАРЯГ 550 V
Шкив вариатора ведомый C40601500-02 снегохода ТАЙГА ВАРЯГ 550 V
Шкив вариатора ведущий 0400-0294 снегохода ТАЙГА ВАРЯГ 550 V
Шкив ведомый 6000-0047 снегохода ТАЙГА ВАРЯГ 550 V
Запчасти для снегохода РМ (РУССКАЯ МЕХАНИКА) TAYGA PATRUL 550 SWT
Вал ведущий C40200790 снегохода ТАЙГА PATRUL 550 SWT
Вал ведущий L30201330 снегохода ТАЙГА PATRUL 550 SWT
Вал коленчатый С40500520, поршни снегохода ТАЙГА PATRUL 550 SWT
Вал коленчатый С40500720, поршни снегохода ТАЙГА PATRUL 550 SWT
Вал коленчатый С40500790, поршни снегохода ТАЙГА PATRUL 550 SWT
Глушитель шума впуска С40800300 снегохода ТАЙГА PATRUL 550 SWT
Двигатель снегохода ТАЙГА PATRUL 550 SWT
Движитель C40200600 снегохода РМ (РУССКАЯ МЕХАНИКА) TAYGA PATRUL 550 SWT
Капот С40700400-01 снегохода ТАЙГА PATRUL 550 SWT
Картер двигателя С40501110 для к/в С40500520 снегохода ТАЙГА PATRUL 550 SWT
Картер двигателя С40501110 для к/вала С40500610 снегохода ТАЙГА PATRUL 550 SWT
Коробка передач С40602950 снегохода ТАЙГА PATRUL 550 SWT
Коробка перемены передач С40601800 снегохода ТАЙГА PATRUL 550 SWT
Корпус С40101650 снегохода ТАЙГА PATRUL 550 SWT
Корпус С40102470 снегохода ТАЙГА PATRUL 550 SWT
Крепление двигателя снегохода ТАЙГА PATRUL 550 SWT
Наклейки снегохода ТАЙГА PATRUL 550 SWT
Органы управления, осветительные и сигнальные приборы снегохода ТАЙГА PATRUL 550 SWT
Подвеска передняя и лыжа для C40301100 снегохода ТАЙГА PATRUL 550 SWT
Подвеска передняя и лыжа снегохода ТАЙГА PATRUL 550 SWT
Регулятор центробежный C40601900-02 снегохода ТАЙГА PATRUL 550 SWT
Регулятор центробежный С40601900-06 снегохода ТАЙГА PATRUL 550 SWT
Сиденье С40103690 снегохода ТАЙГА PATRUL 550 SWT
Система выпуска снегохода ТАЙГА PATRUL 550 SWT
Система зажигания (DUCATI) снегохода ТАЙГА PATRUL 550 SWT
Система охлаждения снегохода ТАЙГА PATRUL 550 SWT
Система питания С40800600 снегохода ТАЙГА PATRUL 550 SWT
Система электрозапуска снегохода ТАЙГА PATRUL 550 SWT
Система электрозапуска снегохода ТАЙГА PATRUL 550 SWT (часть 2)
Трансмиссия С40601700-01 снегохода ТАЙГА PATRUL 550 SWT
Трансмиссия снегохода ТАЙГА PATRUL 550 SWT
Тросы снегохода ТАЙГА PATRUL 550 SWT
Управление рулевое С40301400 снегохода ТАЙГА PATRUL 550 SWT
Цилиндровая группа снегохода ТАЙГА PATRUL 550 SWT
Шкив вариатора ведомый C40601500 снегохода ТАЙГА PATRUL 550 SWT
Запчасти для снегохода РМ (РУССКАЯ МЕХАНИКА) TAYGA PATRUL 800 SWT
Вал ведущий L30201330 снегохода ТАЙГА PATRUL 800 SWT
Двигатель ODES V800 cc снегохода ТАЙГА PATRUL 800 SWT
Движитель C40200600-01 снегохода ТАЙГА PATRUL 800 SWT
Капот С40701700 снегохода ТАЙГА PATRUL 800 SWT
Коробка передач С40602950 снегохода ТАЙГА PATRUL 800 SWT
Корпус С40105000 снегохода ТАЙГА PATRUL 800 SWT
Крепление двигателя снегохода ТАЙГА PATRUL 800 SWT
Наклейки снегохода ТАЙГА PATRUL 800 SWT
Органы управления,осветительные и сигнальные приборы снегохода ТАЙГА PATRUL 800 SWT
Подвеска передняя и лыжа снегохода ТАЙГА PATRUL 800 SWT
Регулятор центробежный C40601600 снегохода ТАЙГА PATRUL 800 SWT
Сиденье С40105200 снегохода ТАЙГА PATRUL 800 SWT
Система впуска C40802650 снегохода ТАЙГА PATRUL 800 SWT
Система выпуска снегохода ТАЙГА PATRUL 800 SWT
Система охлаждения Тайга Patrul 800 SWT снегохода ТАЙГА PATRUL 800 SWT
Система питания снегохода ТАЙГА PATRUL 800 SWT
Система электрозапуска снегохода ТАЙГА PATRUL 800 SWT
Трансмиссия снегохода ТАЙГА PATRUL 800 SWT
Управление рулевое C40304100 снегохода ТАЙГА PATRUL 800 SWT
Шкив вариатора ведомый C40601500-03 снегохода ТАЙГА PATRUL 800 SWT
Запчасти для снегохода РМ (РУССКАЯ МЕХАНИКА) TIKSY
Вал ведущий L10200070 и гусеница снегохода TIKSY
Двигатель К90500250-01 снегохода TIKSY
Движитель гусеничный L10200700 снегохода TIKSY
Движитель гусеничный L10200900 снегохода TIKSY
Капот и боковины снегохода TIKSY
Картер двигателя K90500060 снегохода TIKSY
Корпус снегохода TIKSY
Накладка бензобака L10100360-01 снегохода TIKSY
Наклейки снегохода TIKSY
Органы управления, осветительные и сигнальные приборы снегохода TIKSY
Основание двигателя L10000270 снегохода TIKSY
Основание двигателя L10000370 снегохода TIKSY
Передача цепная снегохода TIKSY
Подвеска передняя и лыжи снегохода TIKSY
Регулятор центробежный L40600600-01 снегохода TIKSY
Сиденье L10100390 снегохода TIKSY
Система впуска снегохода TIKSY
Система выпуска снегохода TIKSY
Система зажигания (с реверса) снегохода TIKSY
Система охлаждения снегохода TIKSY
Система питания снегохода TIKSY
Система электрозапуска снегохода TIKSY
Стартер ручной К90500020 снегохода TIKSY
Тормоз снегохода TIKSY
Трансмиссия L10600300-01 снегохода TIKSY
Тросы снегохода TIKSY
Управление рулевое L10300100-01 снегохода TIKSY
Цилиндровая группа и элементы систем впуска и выпуска снегохода TIKSY
Шкив ведомый L40600500 снегохода TIKSY
Запчасти для снегохода РМ (РУССКАЯ МЕХАНИКА) Буран 2Т
Блок двигателя (вал коленчатый, картер, поршни, цилиндры) СНЕГОХОДА РУССКАЯ МЕХАНИКА БУРАН 2Т
Двигатель и подмоторное основание СНЕГОХОДА РУССКАЯ МЕХАНИКА БУРАН 2Т
Капот СНЕГОХОДА РУССКАЯ МЕХАНИКА БУРАН 2Т
Коробка реверса СНЕГОХОДА РУССКАЯ МЕХАНИКА БУРАН 2Т
Корпус (рама), сиденье СНЕГОХОДА РУССКАЯ МЕХАНИКА БУРАН 2Т
Лыжа с рессорой СНЕГОХОДА РУССКАЯ МЕХАНИКА БУРАН 2Т
Регулятор центробежный и шкив ведомый СНЕГОХОДА РУССКАЯ МЕХАНИКА БУРАН 2Т
Регулятор центробежный нового образца СНЕГОХОДА РУССКАЯ МЕХАНИКА БУРАН 2Т
Рулевое управление СНЕГОХОДА РУССКАЯ МЕХАНИКА БУРАН 2Т
Система выпуска СНЕГОХОДА РУССКАЯ МЕХАНИКА БУРАН 2Т
Система охлаждения СНЕГОХОДА РУССКАЯ МЕХАНИКА БУРАН 2Т
Система питания К65Ж, Mikuni СНЕГОХОДА РУССКАЯ МЕХАНИКА БУРАН 2Т
Стартер ручной СНЕГОХОДА РУССКАЯ МЕХАНИКА БУРАН 2Т
Тормоз СНЕГОХОДА РУССКАЯ МЕХАНИКА БУРАН 2Т
Тросы СНЕГОХОДА РУССКАЯ МЕХАНИКА БУРАН 2Т
Ходовая часть СНЕГОХОДА РУССКАЯ МЕХАНИКА БУРАН 2Т
Электрооборудование - органы управления и осветительные приборы СНЕГОХОДА РУССКАЯ МЕХАНИКА БУРАН 2Т
Электрооборудование - система зажигания СНЕГОХОДА РУССКАЯ МЕХАНИКА БУРАН 2Т
Электрооборудование - система электрозапуска 111101330 СНЕГОХОДА РУССКАЯ МЕХАНИКА БУРАН 2Т
Запчасти для снегохода РМ (РУССКАЯ МЕХАНИКА) Буран 4Т
Блок двигателя (вал коленчатый, картер, поршни, цилиндры) СНЕГОХОДА РУССКАЯ МЕХАНИКА БУРАН 4Т
Двигатель и подмоторное основание СНЕГОХОДА РУССКАЯ МЕХАНИКА БУРАН 4Т
Капот СНЕГОХОДА РУССКАЯ МЕХАНИКА БУРАН 4Т
Коробка реверса СНЕГОХОДА РУССКАЯ МЕХАНИКА БУРАН 4Т
Корпус (рама), сиденье СНЕГОХОДА РУССКАЯ МЕХАНИКА БУРАН 4Т
Лыжа с рессорой СНЕГОХОДА РУССКАЯ МЕХАНИКА БУРАН 4Т
Регулятор центробежный и шкив ведомый СНЕГОХОДА РУССКАЯ МЕХАНИКА БУРАН 4Т
Регулятор центробежный нового образца СНЕГОХОДА РУССКАЯ МЕХАНИКА БУРАН 4Т
Рулевое управление СНЕГОХОДА РУССКАЯ МЕХАНИКА БУРАН 4Т
Система выпуска СНЕГОХОДА РУССКАЯ МЕХАНИКА БУРАН 4Т
Система охлаждения СНЕГОХОДА РУССКАЯ МЕХАНИКА БУРАН 4Т
Система питания К65Ж, Mikuni СНЕГОХОДА РУССКАЯ МЕХАНИКА БУРАН 4Т
Стартер ручной СНЕГОХОДА РУССКАЯ МЕХАНИКА БУРАН 4Т
Тормоз СНЕГОХОДА РУССКАЯ МЕХАНИКА БУРАН 4Т
Тросы СНЕГОХОДА РУССКАЯ МЕХАНИКА БУРАН 4Т
Ходовая часть СНЕГОХОДА РУССКАЯ МЕХАНИКА БУРАН 4Т
Электрооборудование - органы управления и осветительные приборы СНЕГОХОДА РУССКАЯ МЕХАНИКА БУРАН 4Т
Электрооборудование - система зажигания СНЕГОХОДА РУССКАЯ МЕХАНИКА БУРАН 4Т
Электрооборудование - система электрозапуска 111101330 СНЕГОХОДА РУССКАЯ МЕХАНИКА БУРАН 4Т
Запчасти для снегохода РМ (РУССКАЯ МЕХАНИКА) Буран Лидер
Блок двигателя (вал коленчатый, картер, поршни, цилиндры) СНЕГОХОДА РУССКАЯ МЕХАНИКА БУРАН ЛИДЕР
Двигатель и подмоторное основание СНЕГОХОДА РУССКАЯ МЕХАНИКА БУРАН ЛИДЕР
Капот СНЕГОХОДА РУССКАЯ МЕХАНИКА БУРАН ЛИДЕР
Коробка реверса СНЕГОХОДА РУССКАЯ МЕХАНИКА БУРАН ЛИДЕР
Корпус (рама), сиденье СНЕГОХОДА РУССКАЯ МЕХАНИКА БУРАН ЛИДЕР
Лыжа с рессорой СНЕГОХОДА РУССКАЯ МЕХАНИКА БУРАН ЛИДЕР
Регулятор центробежный и шкив ведомый СНЕГОХОДА РУССКАЯ МЕХАНИКА БУРАН ЛИДЕР
Регулятор центробежный нового образца СНЕГОХОДА РУССКАЯ МЕХАНИКА БУРАН ЛИДЕР
Рулевое управление СНЕГОХОДА РУССКАЯ МЕХАНИКА БУРАН ЛИДЕР
Система выпуска СНЕГОХОДА РУССКАЯ МЕХАНИКА БУРАН ЛИДЕР
Система охлаждения СНЕГОХОДА РУССКАЯ МЕХАНИКА БУРАН ЛИДЕР
Система питания К65Ж, Mikuni СНЕГОХОДА РУССКАЯ МЕХАНИКА БУРАН ЛИДЕР
Стартер ручной СНЕГОХОДА РУССКАЯ МЕХАНИКА БУРАН ЛИДЕР
Тормоз СНЕГОХОДА РУССКАЯ МЕХАНИКА БУРАН ЛИДЕР
Тросы СНЕГОХОДА РУССКАЯ МЕХАНИКА БУРАН ЛИДЕР
Ходовая часть СНЕГОХОДА РУССКАЯ МЕХАНИКА БУРАН ЛИДЕР
Электрооборудование - органы управления и осветительные приборы СНЕГОХОДА РУССКАЯ МЕХАНИКА БУРАН ЛИДЕР
Электрооборудование - система зажигания СНЕГОХОДА РУССКАЯ МЕХАНИКА БУРАН ЛИДЕР
Электрооборудование - система электрозапуска 515176784 СНЕГОХОДА РУССКАЯ МЕХАНИКА БУРАН ЛИДЕР
Запчасти для снегохода РМ (РУССКАЯ МЕХАНИКА) СММ РЫБИНКА M10000010 (ВЫПУСК С 11.2011 ПО 07.2012)
Вал ведущий M10200080 для СММ РЫБИНКА M10000010 (ВЫПУСК С 11.2011 ПО 07.2012)
Двигатель Robin Subaru EX210DE5032 для СММ РЫБИНКА M10000010 (ВЫПУСК С 11.2011 ПО 07.2012)
Движитель гусеничный M10200140 для СММ РЫБИНКА M10000010 (ВЫПУСК С 11.2011 ПО 07.2012)
Капот М10700040 для СММ РЫБИНКА M10000010 (ВЫПУСК С 11.2011 ПО 07.2012)
Подвеска передняя и лыжа для М10300170 для СММ РЫБИНКА M10000010 (ВЫПУСК С 11.2011 ПО 07.2012)
Сиденье М10100120 для СММ РЫБИНКА M10000010 (ВЫПУСК С 11.2011 ПО 07.2012)
Тормоз для СММ РЫБИНКА M10000010 (ВЫПУСК С 11.2011 ПО 07.2012)
Управление рулевое M10300170 для СММ РЫБИНКА M10000010 (ВЫПУСК С 11.2011 ПО 07.2012)
Запчасти для снегохода РМ (РУССКАЯ МЕХАНИКА) СММ РЫБИНКА-04
Вал коленчатый снегохода СММ РЫБИНКА-04
Воздухозаборник снегохода СММ РЫБИНКА-04
Газораспределение снегохода СММ РЫБИНКА-04
Глушитель снегохода СММ РЫБИНКА-04
Группа картерная снегохода СММ РЫБИНКА-04
Двигатель Kohler CH270-0115 снегохода СММ РЫБИНКА-04
Движитель М10200400 снегохода СММ РЫБИНКА-04
Капот М10700110 снегохода СММ РЫБИНКА-04
Корпус движителя М10100600 снегохода СММ РЫБИНКА-04
Наклейки снегохода СММ РЫБИНКА-04
Сидение М10100340-01 снегохода СММ РЫБИНКА-04
Сиденье M10100340 снегохода СММ РЫБИНКА-04
Система питания снегохода СММ РЫБИНКА-04
Система смазки снегохода СММ РЫБИНКА-04
СММ "РЫБИНКА" М10000010-04
Средства управления двигателем снегохода СММ РЫБИНКА-04
Стартер ручной снегохода СММ РЫБИНКА-04
Тормоз снегохода СММ РЫБИНКА-04
Трансмиссия М10600300 снегохода СММ РЫБИНКА-04
Управление рулевое М10300570 снегохода СММ РЫБИНКА-04
Электрооборудование снегохода СММ РЫБИНКА-04
Запчасти для снегохода РМ (РУССКАЯ МЕХАНИКА) ТАЙГА АТАКА 551 II
Вал ведущий C40200780 снегохода ТАЙГА АТАКА 551 II
Вал коленчатый K20500350, поршни снегохода ТАЙГА АТАКА 551 II
Вал коленчатый К20500160, поршни снегохода ТАЙГА АТАКА 551 II
Глушитель шума впуска С40800300 снегохода ТАЙГА АТАКА 551 II
Двигатель К20500600 снегохода ТАЙГА АТАКА 551 II
Движитель L30200500 снегохода ТАЙГА АТАКА 551 II
Дополнительные принадлежности к электрооборудованию снегохода ТАЙГА АТАКА 551 II
Капот L30700100 снегохода ТАЙГА АТАКА 551 II
Капот L30700150 снегохода ТАЙГА АТАКА 551 II
Картер двигателя К20500150 снегохода ТАЙГА АТАКА 551 II
Коробка передач C40600100 снегохода ТАЙГА АТАКА 551 II
Коробка перемены передач L30601100-01 снегохода ТАЙГА АТАКА 551 II
Корпус L30101320 снегохода ТАЙГА АТАКА 551 II
Корпус L30101390 снегохода ТАЙГА АТАКА 551 II
Корпус L30101410 снегохода ТАЙГА АТАКА 551 II
Крепление двигателя снегохода ТАЙГА АТАКА 551 II
Наклейки снегохода ТАЙГА АТАКА 551 II
Органы управления, осветительные и сигнальные приборы снегохода ТАЙГА АТАКА 551 II
Подвеска передняя и лыжа для S10300100 снегохода ТАЙГА АТАКА 551 II
Подвеска передняя и лыжа снегохода ТАЙГА АТАКА 551 II
Привод водяного насоса снегохода ТАЙГА АТАКА 551 II
Регулятор центробежный С40601900 снегохода ТАЙГА АТАКА 551 II
Сиденье С40102350-01 снегохода ТАЙГА АТАКА 551 II
Сиденье С40103640-01 снегохода ТАЙГА АТАКА 551 II
Система впрыска масла C40800360-02 снегохода ТАЙГА АТАКА 551 II
Система выпуска снегохода ТАЙГА АТАКА 551 II
Система зажигания снегохода ТАЙГА АТАКА 551 II
Система охлаждения снегохода ТАЙГА АТАКА 551 II
Система питания С40800370 снегохода ТАЙГА АТАКА 551 II
Система питания снегохода ТАЙГА АТАКА 551 II
Система электрозапуска снегохода ТАЙГА АТАКА 551 II
Трансмиссия С40601700 снегохода ТАЙГА АТАКА 551 II
Тросы снегохода ТАЙГА АТАКА 551 II
Управление рулевое L30301500 аннулировано с 01. 2014, взамен введено L30301600 снегохода ТАЙГА АТАКА 551 II
Управление рулевое L30301600 введено с 01.2014 взамен L30301500 снегохода ТАЙГА АТАКА 551 II
Установка привода водяного насоса К20500040 снегохода ТАЙГА АТАКА 551 II
Цилиндровая группа снегохода ТАЙГА АТАКА 551 II
Шкив вариатора ведомый C40601500 снегохода ТАЙГА АТАКА 551 II
Запчасти для снегохода РМ (РУССКАЯ МЕХАНИКА) ТАЙГА БАРС 850
Вал ведущий C40200790 снегохода ТАЙГА БАРС 850
Вал ведущий L30201330 снегохода ТАЙГА БАРС 850
Вариатор снегохода ТАЙГА БАРС 850
Генератор снегохода ТАЙГА БАРС 850
Глушитель шума впуска С40800520 снегохода ТАЙГА БАРС 850
Головка цилиндра снегохода ТАЙГА БАРС 850
Двигатель WEBER MPE 850 NA снегохода ТАЙГА БАРС 850
Движитель L30201200 снегохода ТАЙГА БАРС 850
Дополнительные принадлежности к электрооборудованию снегохода ТАЙГА БАРС 850
Инструментальный ящик MPE 850 снегохода ТАЙГА БАРС 850
Инструменты и вспомогательное оборудование WM снегохода ТАЙГА БАРС 850
Капот С40700440 снегохода ТАЙГА БАРС 850
Картер в сборе 1 снегохода ТАЙГА БАРС 850
Картер в сборе 2 снегохода ТАЙГА БАРС 850
Картер в сборе 3 снегохода ТАЙГА БАРС 850
Клапанный механизм 1 снегохода ТАЙГА БАРС 850
Клапанный механизм 2 снегохода ТАЙГА БАРС 850
Клапанный механизм 3 снегохода ТАЙГА БАРС 850
Коробка передач С40602950-03 снегохода ТАЙГА БАРС 850
Корпус C40102240 снегохода ТАЙГА БАРС 850
Корпус С40102150 снегохода ТАЙГА БАРС 850
Корпус С40103700 снегохода ТАЙГА БАРС 850
Корпус С40103750 снегохода ТАЙГА БАРС 850
Корпус термостата снегохода ТАЙГА БАРС 850
Крепление двигателя снегохода ТАЙГА БАРС 850
Кривошипно - шатунный привод 1 снегохода ТАЙГА БАРС 850
Кривошипно - шатунный привод 2 снегохода ТАЙГА БАРС 850
Кронштейн маслоохладителя в сборе снегохода ТАЙГА БАРС 850
Маслобак снегохода ТАЙГА БАРС 850
Масляный нагнетальный клапан снегохода ТАЙГА БАРС 850
Масляный нагнетальный насос снегохода ТАЙГА БАРС 850
Механизм кривошипно-шатунный снегохода ТАЙГА БАРС 850
Набор диагностических инструментов Synerject снегохода ТАЙГА БАРС 850
Набор запасных деталей Synerject NA снегохода ТАЙГА БАРС 850
Набор инструментов для ТО MPE 850 снегохода ТАЙГА БАРС 850
Наклейки для С40700440 снегохода ТАЙГА БАРС 850
Насос системы охлаждения снегохода ТАЙГА БАРС 850
Нижняя крышка картера в сборе снегохода ТАЙГА БАРС 850
Подвеска передняя и лыжа для С40301700 снегохода ТАЙГА БАРС 850
Рампа топливная снегохода ТАЙГА БАРС 850
Регулятор напряжения снегохода ТАЙГА БАРС 850
Регулятор центробежный C40600900-03 снегохода ТАЙГА БАРС 850
Сиденье С40101470-02 снегохода ТАЙГА БАРС 850
Сиденье С40103690 снегохода ТАЙГА БАРС 850
Система выпуска с глушителем С40400200 снегохода ТАЙГА БАРС 850
Система выпуска с глушителем С40400420 снегохода ТАЙГА БАРС 850
Система охлаждения C40502700 снегохода ТАЙГА БАРС 850
Система охлаждения С40502300 снегохода ТАЙГА БАРС 850
Система питания с погружным насосом с баком топливный С40802210 снегохода ТАЙГА БАРС 850
Система питания с погружным насосом с баком топливный С40802230 снегохода ТАЙГА БАРС 850
Система питания С40802000 снегохода ТАЙГА БАРС 850
Система смазки снегохода ТАЙГА БАРС 850
Стартер ручной C40500220-02 снегохода ТАЙГА БАРС 850
Трансмиссия С40601700-04 снегохода ТАЙГА БАРС 850
Трансмиссия С40601700-07 снегохода ТАЙГА БАРС 850
Тросы снегохода ТАЙГА БАРС 850
Управление рулевое С40301700 снегохода ТАЙГА БАРС 850
Установка впускного коллектора снегохода ТАЙГА БАРС 850
Установка выпускного коллектора снегохода ТАЙГА БАРС 850
Установка корпуса дроссельной заслонки снегохода ТАЙГА БАРС 850
Установка кронштейна маслоохладителя в сборе снегохода ТАЙГА БАРС 850
Установка крышки генератора снегохода ТАЙГА БАРС 850
Установка крышки клапанного механизма снегохода ТАЙГА БАРС 850
Установка маслоохладителя снегохода ТАЙГА БАРС 850
Фильтр масляный снегохода ТАЙГА БАРС 850
Шкив вариатора ведомый С40602500 снегохода ТАЙГА БАРС 850
Шкив вариатора ведомый снегохода ТАЙГА БАРС 850
Шкив вариатора ведущий снегохода ТАЙГА БАРС 850
Электрооборудование снегоходаТАЙГА БАРС 850
Элементы системы управления двигателем снегохода ТАЙГА БАРС 850
Запчасти для снегохода РМ (РУССКАЯ МЕХАНИКА) ТАЙГА ВАРЯГ 500
Вал ведущий C40200780 снегохода ТАЙГА ВАРЯГ 500
Вал коленчатый C40500780, поршни снегохода ТАЙГА ВАРЯГ 500
Глушитель шума впуска С40500010 снегохода ТАЙГА ВАРЯГ 500
Двигатель С40500500-19 снегохода ТАЙГА ВАРЯГ 500
Движитель С40201000 снегохода ТАЙГА ВАРЯГ 500
Дополнительные принадлежности к электрооборудованию снегохода ТАЙГА ВАРЯГ 500
Капот С40700660 снегохода ТАЙГА ВАРЯГ 500
Картер C40500080 снегохода ТАЙГА ВАРЯГ 500
Коробка передач C40600100 снегохода ТАЙГА ВАРЯГ 500
Коробка перемены передач L30601100-01 снегохода ТАЙГА ВАРЯГ 500
Корпус С40102800 снегохода ТАЙГА ВАРЯГ 500
Корпус С40102880 снегохода ТАЙГА ВАРЯГ 500
Крепление двигателя снегохода ТАЙГА ВАРЯГ 500
Наклейки для С40700660 снегохода ТАЙГА ВАРЯГ 500
Органы управления, осветительные и сигнальные приборы снегохода ТАЙГА ВАРЯГ 500
Подвеска передняя и лыжа снегохода ТАЙГА ВАРЯГ 500
Регулятор центробежный С40600900-04 снегохода ТАЙГА ВАРЯГ 500
Сиденье С40102500 снегохода ТАЙГА ВАРЯГ 500
Система выпуска снегохода ТАЙГА ВАРЯГ 500
Система зажигания(DUCATI) снегохода ТАЙГА ВАРЯГ 500
Система охлаждения снегохода ТАЙГА ВАРЯГ 500
Система питания С40800120 снегохода ТАЙГА ВАРЯГ 500
Система электрозапуска снегохода ТАЙГА ВАРЯГ 500
Стартер ручной С40500220-01 снегохода ТАЙГА ВАРЯГ 500
Тормоз С40600200 снегохода ТАЙГА ВАРЯГ 500
Трансмиссия С40600700-07 снегохода ТАЙГА ВАРЯГ 500
Тросы снегохода ТАЙГА ВАРЯГ 500
Управление рулевое C40302600 снегохода ТАЙГА ВАРЯГ 500
Цилиндровая группа и элементы систем впуска и выпуска 1 карб. снегохода ТАЙГА ВАРЯГ 500
Шкив вариатора ведомый C40601500 снегохода ТАЙГА ВАРЯГ 500
Запчасти для снегохода РМ (РУССКАЯ МЕХАНИКА) ТАЙГА ВАРЯГ 550
Вал ведущий C40200780 снегохода ТАЙГА ВАРЯГ 550
Вал коленчатый С40500720, поршни снегохода ТАЙГА ВАРЯГ 550
Вал коленчатый С40500790, поршни снегохода ТАЙГА ВАРЯГ 550
Глушитель шума впуска С40500010-01 снегохода ТАЙГА ВАРЯГ 550
Глушитель шума впуска С40800300 снегохода ТАЙГА ВАРЯГ 550
Двигатель снегохода ТАЙГА ВАРЯГ 550
Движитель С40201000 снегохода ТАЙГА ВАРЯГ 550
Капот C40700500 снегохода ТАЙГА ВАРЯГ 550
Картер двигателя С40501110 для к/в С40500520 снегохода ТАЙГА ВАРЯГ 550
Картер двигателя С40501110 для к/вала С40500610 снегохода ТАЙГА ВАРЯГ 550
Коробка передач C40600100 снегохода ТАЙГА ВАРЯГ 550
Коробка перемены передач L30601100-01 снегохода ТАЙГА ВАРЯГ 550
Корпус С40101670 снегохода ТАЙГА ВАРЯГ 550
Корпус С40102270 снегохода ТАЙГА ВАРЯГ 550
Корпус снегохода ТАЙГА ВАРЯГ 550
Крепление двигателя снегохода ТАЙГА ВАРЯГ 550
Наклейки для C40700500 снегохода ТАЙГА ВАРЯГ 550
Органы управления, осветительные и сигнальные приборы снегохода ТАЙГА ВАРЯГ 550
Подвеска передняя и лыжа снегохода ТАЙГА ВАРЯГ 550
Подвеска передняя и лыжа снегохода ТАЙГА ВАРЯГ 550 (часть 2)
Регулятор центробежный С40601900 снегохода ТАЙГА ВАРЯГ 550
Регулятор центробежный С40601900-07 снегохода ТАЙГА ВАРЯГ 550
Сиденье С40102350 снегохода ТАЙГА ВАРЯГ 550
Сиденье С40103640 снегохода ТАЙГА ВАРЯГ 550
Система выпуска снегохода ТАЙГА ВАРЯГ 550
Система зажигания (ФЛЭЙМЗ) снегохода ТАЙГА ВАРЯГ 550
Система зажигания(DUCATI) снегохода ТАЙГА ВАРЯГ 550
Система охлаждения снегохода ТАЙГА ВАРЯГ 550
Система питания C40800120 снегохода ТАЙГА ВАРЯГ 550
Система питания C40800370-01 (2 карбюратора) снегохода ТАЙГА ВАРЯГ 550
Система электрозапуска снегохода ТАЙГА ВАРЯГ 550
Стартер ручной С40500220-01 снегохода ТАЙГА ВАРЯГ 550
Трансмиссия С40601700-05 снегохода ТАЙГА ВАРЯГ 550
Тросы снегохода ТАЙГА ВАРЯГ 550
Управление рулевое C403001900 введено с 09.2012 взамен С40300100, аннулировано в 08.2013 и заменено снегохода ТАЙГА ВАРЯГ 550
Управление рулевое С40300100 аннулировано 09.2012 и заменено на С40301900 снегохода ТАЙГА ВАРЯГ 550
Управление рулевое С40302700 введено с 08.2013, взамен C40301900 снегохода ТАЙГА ВАРЯГ 550
Цилиндровая группа и элементы систем впуска и выпуска снегохода ТАЙГА ВАРЯГ 550
Шкив вариатора ведомый C40601500 снегохода ТАЙГА ВАРЯГ 550
Шкив вариатора ведомый C40601500-02 снегохода ТАЙГА ВАРЯГ 550
Запчасти для снегохода РМ (РУССКАЯ МЕХАНИКА) ТАЙГА РМ РЫСЬ
Вал ведущий C70200050 снегохода ТАЙГА РМ РЫСЬ
Головка цилиндра снегохода ТАЙГА РМ РЫСЬ
Двигатель снегохода ТАЙГА РМ РЫСЬ
Движитель гусеничный C70200100 снегохода ТАЙГА РМ РЫСЬ
Дополнительные принадлежности к электрооборудованию снегохода ТАЙГА РМ РЫСЬ
Капот C70700010 снегохода ТАЙГА РМ РЫСЬ
Картер снегохода ТАЙГА РМ РЫСЬ
Коленчатый вал снегохода ТАЙГА РМ РЫСЬ
Крепление двигателя снегохода ТАЙГА РМ РЫСЬ
Кронштейны для крепления пластика снегохода ТАЙГА РМ РЫСЬ
Наклейки снегохода ТАЙГА РМ РЫСЬ
Пластик снегохода ТАЙГА РМ РЫСЬ
Подвеска передняя и лыжа для C70300100 снегохода ТАЙГА РМ РЫСЬ
Привод воздушной заслонки снегохода ТАЙГА РМ РЫСЬ
Рама C70100180 снегохода ТАЙГА РМ РЫСЬ
Рама C70100280 снегохода ТАЙГА РМ РЫСЬ
Сиденье C70100110 снегохода ТАЙГА РМ РЫСЬ
Система впуска снегохода ТАЙГА РМ РЫСЬ
Система выпуска снегохода ТАЙГА РМ РЫСЬ
Система зажигания снегохода ТАЙГА РМ РЫСЬ
Система запуска снегохода ТАЙГА РМ РЫСЬ
Система питания C70800200 снегохода ТАЙГА РМ РЫСЬ
Система смазки снегохода ТАЙГА РМ РЫСЬ
Система управления двигателем снегохода ТАЙГА РМ РЫСЬ
Тормоз снегохода ТАЙГА РМ РЫСЬ
Трансмиссия C70600100 снегохода ТАЙГА РМ РЫСЬ
Трансмиссия C70600200 снегохода ТАЙГА РМ РЫСЬ
Управление рулевое C70300100 снегохода ТАЙГА РМ РЫСЬ
Электрооборудование снегохода ТАЙГА РМ РЫСЬ
Запчасти для снегоходов IRBIS
Запчасти для снегохода IRBIS Dingo T125
Двигатель снегохода IRBIS Dingo T125
Двигатель снегохода IRBIS Dingo T125 (часть 10)
Двигатель снегохода IRBIS Dingo T125 (часть 11)
Двигатель снегохода IRBIS Dingo T125 (часть 12)
Двигатель снегохода IRBIS Dingo T125 (часть 13)
Двигатель снегохода IRBIS Dingo T125 (часть 2)
Двигатель снегохода IRBIS Dingo T125 (часть 3)
Двигатель снегохода IRBIS Dingo T125 (часть 4)
Двигатель снегохода IRBIS Dingo T125 (часть 5)
Двигатель снегохода IRBIS Dingo T125 (часть 6)
Двигатель снегохода IRBIS Dingo T125 (часть 7)
Двигатель снегохода IRBIS Dingo T125 (часть 8)
Двигатель снегохода IRBIS Dingo T125 (часть 9)
Кузовные элементы, пластик снегохода IRBIS Dingo T125
Кузовные элементы, пластик снегохода IRBIS Dingo T125 (часть 2)
Кузовные элементы, пластик снегохода IRBIS Dingo T125 (часть 3)
Кузовные элементы, пластик снегохода IRBIS Dingo T125 (часть 4)
Кузовные элементы, пластик снегохода IRBIS Dingo T125 (часть 5)
Расходные материалы и доп. оборудование снегохода IRBIS Dingo T125
Система подачи топлива снегохода IRBIS Dingo T125
Ходовая часть, органы управления снегохода IRBIS Dingo T125
Ходовая часть, органы управления снегохода IRBIS Dingo T125 (часть 2)
Ходовая часть, органы управления снегохода IRBIS Dingo T125 (часть 3)
Ходовая часть, органы управления снегохода IRBIS Dingo T125 (часть 4)
Ходовая часть, органы управления снегохода IRBIS Dingo T125 (часть 5)
Ходовая часть, органы управления снегохода IRBIS Dingo T125 (часть 6)
Электрооборудование снегохода IRBIS Dingo T125
Запчасти для снегохода IRBIS Dingo T150/T170/T200 (2015 г.в.)
Двигатель снегохода IRBIS Dingo T150 (2015 г.)
Двигатель снегохода IRBIS Dingo T150 (2015 г.) (часть 2)
Двигатель снегохода IRBIS Dingo T150 (2015 г.) (часть 3)
Двигатель снегохода IRBIS Dingo T150 (2015 г.) (часть 4)
Двигатель снегохода IRBIS Dingo T150 (2015 г.) (часть 5)
Двигатель снегохода IRBIS Dingo T150 (2015 г.) (часть 6)
Двигатель снегохода IRBIS Dingo T150 (2015 г.) (часть 7)
Двигатель снегохода IRBIS Dingo T150 (2015 г.) (часть 8)
Двигатель снегохода IRBIS Dingo T150 (2015 г.) (часть 9)
Кузовные элементы, пластик снегохода IRBIS Dingo T150 (2015 г.)
Кузовные элементы, пластик снегохода IRBIS Dingo T150 (2015 г.) (часть 2)
Кузовные элементы, пластик снегохода IRBIS Dingo T150 (2015 г.) (часть 3)
Расходные материалы и доп. оборудование снегохода IRBIS Dingo T150 (2015 г.)
Система подачи топлива снегохода IRBIS Dingo T150 (2015 г.)
ТЮНИНГ ДВС СНЕГОХОДА IRBIS DINGO
Ходовая часть, органы управления снегохода IRBIS Dingo T150 (2015 г.)
Ходовая часть, органы управления снегохода IRBIS Dingo T150 (2015 г.) (часть 2)
Ходовая часть, органы управления снегохода IRBIS Dingo T150 (2015 г.) (часть 3)
Ходовая часть, органы управления снегохода IRBIS Dingo T150 (2015 г.) (часть 4)
Ходовая часть, органы управления снегохода IRBIS Dingo T150 (2015 г.) (часть 5)
Ходовая часть, органы управления снегохода IRBIS Dingo T150 (2015 г.) (часть 6)
Электрооборудование снегохода IRBIS Dingo T150 (2015 г.)
Запчасти для снегохода IRBIS Dingo T150/T170/T200 (2016 г.в.)
Выпускная система снегохода IRBIS Dingo (2016 г.)
Двигатель снегохода IRBIS Dingo (2016 г.)
Двигатель снегохода IRBIS Dingo (2016 г.) (часть 2)
Двигатель снегохода IRBIS Dingo (2016 г.) (часть 3)
Двигатель снегохода IRBIS Dingo (2016 г.) (часть 4)
Двигатель снегохода IRBIS Dingo (2016 г.) (часть 5)
Двигатель снегохода IRBIS Dingo (2016 г.) (часть 6)
Двигатель снегохода IRBIS Dingo (2016 г.) (часть 7)
Двигатель снегохода IRBIS Dingo (2016 г.) (часть 8)
Кузовные элементы, пластик снегохода IRBIS Dingo (2016 г.)
Кузовные элементы, пластик снегохода IRBIS Dingo (2016 г.) (часть 2)
Кузовные элементы, пластик снегохода IRBIS Dingo (2016 г.) (часть 3)
Оптика снегохода IRBIS Dingo (2016 г.)
Расходные материалы и доп. оборудование снегохода IRBIS Dingo (2016 г.)
Система подачи топлива снегохода IRBIS Dingo (2016 г.)
ТЮНИНГ ДВС СНЕГОХОДА IRBIS DINGO
Ходовая часть, органы управления снегохода IRBIS Dingo (2016 г.)
Ходовая часть, органы управления снегохода IRBIS Dingo (2016 г.) (часть 2)
Ходовая часть, органы управления снегохода IRBIS Dingo (2016 г.) (часть 3)
Ходовая часть, органы управления снегохода IRBIS Dingo (2016 г.) (часть 4)
Ходовая часть, органы управления снегохода IRBIS Dingo (2016 г.) (часть 5)
Ходовая часть, органы управления снегохода IRBIS Dingo (2016 г.) (часть 6)
Ходовая часть, органы управления снегохода IRBIS Dingo (2016 г.) (часть 7)
Электрооборудование снегохода IRBIS Dingo (2016 г.)
Запчасти для снегохода IRBIS Dingo T150/T170/T200 (2017 г.в.)
Выпускная система снегохода Irbis Dingo T150 (2017 г.)
Гусеничный блок снегохода Irbis Dingo T150 (2017 г.)
Гусеничный блок снегохода Irbis Dingo T150 (2017 г.) (часть 2)
Двигатель снегохода Irbis Dingo T150 (2017 г.)
Двигатель снегохода Irbis Dingo T150 (2017 г.) (часть 2)
Двигатель снегохода Irbis Dingo T150 (2017 г.) (часть 3)
Двигатель снегохода Irbis Dingo T150 (2017 г.) (часть 4)
Двигатель снегохода Irbis Dingo T150 (2017 г.) (часть 5)
Двигатель снегохода Irbis Dingo T150 (2017 г.) (часть 6)
Двигатель снегохода Irbis Dingo T150 (2017 г.) (часть 7)
Двигатель снегохода Irbis Dingo T150 (2017 г.) (часть 8)
Кузовные элементы, пластик снегохода Irbis Dingo T150 (2017 г.)
Кузовные элементы, пластик снегохода Irbis Dingo T150 (2017 г.) (часть 2)
Кузовные элементы, пластик снегохода Irbis Dingo T150 (2017 г.) (часть 3)
Оптика снегохода Irbis Dingo T150 (2017 г.)
Расходные материалы и дополнительное оборудование снегохода Irbis Dingo T150 (2017 г.)
Рулевое управление снегохода Irbis Dingo T150 (2017 г.)
Система подачи топлива снегохода Irbis Dingo T150 (2017 г.)
Тормозная система, цепной привод снегохода Irbis Dingo T150 (2017 г.)
ТЮНИНГ ДВС СНЕГОХОДА IRBIS DINGO
Ходовая часть снегохода Irbis Dingo T150 (2017 г.)
Ходовая часть, органы управления снегохода Irbis Dingo T150 (2017 г.)
Ходовая часть, органы управления снегохода Irbis Dingo T150 (2017 г.) (часть 2)
Электрооборудование снегохода Irbis Dingo T150 (2017 г.)
Запчасти для снегохода IRBIS Dingo T150/T170/T200 (2018 г.в.)
Выпускная система снегохода IRBIS Dingo (2018 г.)
Двигатель снегохода IRBIS Dingo (2018 г.)
Двигатель снегохода IRBIS Dingo (2018 г.) (часть 2)
Двигатель снегохода IRBIS Dingo (2018 г.) (часть 3)
Двигатель снегохода IRBIS Dingo (2018 г.) (часть 4)
Двигатель. Вариатор снегохода IRBIS Dingo (2018 г.)
Двигатель. ГРМ снегохода IRBIS Dingo (2018 г.)
Двигатель. Система охлаждения снегохода IRBIS Dingo (2018 г.)
Двигатель. ЦПГ снегохода IRBIS Dingo (2018 г.)
Кузовные элементы снегохода IRBIS Dingo (2018 г.)
Кузовные элементы снегохода IRBIS Dingo (2018 г.) (часть 2)
Кузовные элементы, пластик снегохода IRBIS Dingo (2018 г.)
Оптика снегохода IRBIS Dingo (2018 г.)
Привод снегохода IRBIS Dingo (2018 г.)
Расходные материалы и доп. оборудование снегохода IRBIS Dingo (2018 г.)
Рулевое управление снегохода IRBIS Dingo (2018 г.)
Рулевое управление снегохода IRBIS Dingo (2018 г.) (часть 2)
Система подачи топлива снегохода IRBIS Dingo (2018 г.)
ТЮНИНГ ДВС СНЕГОХОДА IRBIS DINGO
Ходовая часть снегохода IRBIS Dingo (2018 г.)
Ходовая часть снегохода IRBIS Dingo (2018 г.) (часть 2)
Ходовая часть снегохода IRBIS Dingo (2018 г.) (часть 3)
Ходовая часть снегохода IRBIS Dingo (2018 г.) (часть 4)
Электрооборудование снегохода IRBIS Dingo (2018 г.)
Запчасти для снегохода IRBIS Dingo T150/T170/T200 (2021-)
Запчасти для снегохода IRBIS SF150L/SF200L
Запчасти для снегохода IRBIS TUNGUS 400/500L/600L
ВЫПУСКНАЯ СИСТЕМА СНЕГОХОДА IRBIS TUNGUS 400/500L/600L
ДВИГАТЕЛЬ СНЕГОХОДА IRBIS TUNGUS 400/500L/600L
КУЗОВНЫЕ ЭЛЕМЕНТЫ, ПЛАСТИК СНЕГОХОДА IRBIS TUNGUS 400/500L/600L
ОПТИКА СНЕГОХОДА IRBIS TUNGUS 400/500L/600L
ПОДВЕСКА ЗАДНЯЯ (ЧАСТЬ 1) СНЕГОХОДА IRBIS TUNGUS 400/500L/600L
ПОДВЕСКА ЗАДНЯЯ (ЧАСТЬ 2) СНЕГОХОДА IRBIS TUNGUS 400/500L/600L
ПОДВЕСКА ЗАДНЯЯ (ЧАСТЬ 3) СНЕГОХОДА IRBIS TUNGUS 400/500L/600L
ПОДВЕСКА ПЕРЕДНЯЯ (ЧАСТЬ 1) СНЕГОХОДА IRBIS TUNGUS 400/500L/600L
ПОДВЕСКА ПЕРЕДНЯЯ (ЧАСТЬ 2) СНЕГОХОДА IRBIS TUNGUS 400/500L/600L
РАМА СНЕГОХОДА IRBIS TUNGUS 400/500L/600L
РАСХОДНЫЕ МАТЕРИАЛЫ И ДОП. ОБОРУДОВАНИЕ СНЕГОХОДА IRBIS TUNGUS 400/500L/600L
СИДЕНЬЕ СНЕГОХОДА IRBIS TUNGUS 400/500L/600L
СИСТЕМА ПОДАЧИ ТОПЛИВА СНЕГОХОДА IRBIS TUNGUS 400/500L/600L
ТРАНСМИСИЯ (ЧАСТЬ 1) СНЕГОХОДА IRBIS TUNGUS 400/500L/600L
ТРАНСМИСИЯ (ЧАСТЬ 2) СНЕГОХОДА IRBIS TUNGUS 400/500L/600L
ХОДОВАЯ ЧАСТЬ, ОРГАНЫ УПРАВЛЕНИЯ СНЕГОХОДА IRBIS TUNGUS 400/500L/600L
ЭЛЕКТРООБОРУДОВАНИЕ СНЕГОХОДА IRBIS TUNGUS 400/500L/600L
Запчасти для снегоходов SNOWFOX
Запчасти для снегоходов SNOWFOX T201 (Cronus, S2, Motoland, TaoTao, WELS, Sharmax, CMOTO)
Вариатор, ремень вариатора снегохода SNOWFOX T201 (Cronus, S2, Motoland, TaoTao, WELS, CMOTO)
Генератор, масляный насос снегохода SNOWFOX T201 (Cronus, S2, Motoland, TaoTao, WELS, CMOTO)
Головка цилиндра снегохода SNOWFOX T201 (Cronus, S2, Motoland, TaoTao, WELS, CMOTO)
Двигатель снегохода SNOWFOX T201 (Cronus, S2, Motoland, TaoTao, WELS, CMOTO)
Карбюратор снегохода SNOWFOX T201 (Cronus, S2, Motoland, TaoTao, WELS, CMOTO)
Карбюратор снегохода SNOWFOX T201 (Cronus, S2, Motoland, TaoTao, WELS, CMOTO) (часть 2)
Картер снегохода SNOWFOX T201 (Cronus, S2, Motoland, TaoTao, WELS, CMOTO)
Кожух крыльчатки снегохода SNOWFOX T201 (Cronus, S2, Motoland, TaoTao, WELS, CMOTO)
Коленвал, Поршень снегохода SNOWFOX T201 (Cronus, S2, Motoland, TaoTao, WELS, CMOTO)
Крышка вариатора снегохода SNOWFOX T201 (Cronus, S2, Motoland, TaoTao, WELS, CMOTO)
Крышка головки цилиндра снегохода SNOWFOX T201 (Cronus, S2, Motoland, TaoTao, WELS, CMOTO)
Крышка картера правая снегохода SNOWFOX T201 (Cronus, S2, Motoland, TaoTao, WELS, CMOTO)
Механизм переключения передач снегохода SNOWFOX T201 (Cronus, S2, Motoland, TaoTao, WELS, CMOTO)
Пластик снегохода SNOWFOX T201 (Cronus, S2, Motoland, TaoTao, WELS, CMOTO)
Подвеска задняя снегохода SNOWFOX T201 (Cronus, S2, Motoland, TaoTao, WELS, CMOTO)
Подвеска передняя снегохода SNOWFOX T201 (Cronus, S2, Motoland, TaoTao, WELS, CMOTO)
Рама снегохода SNOWFOX T201 (Cronus, S2, Motoland, TaoTao, WELS, CMOTO)
Редуктор снегохода SNOWFOX T201 (Cronus, S2, Motoland, TaoTao, WELS, CMOTO)
Рулевое управление снегохода SNOWFOX T201 (Cronus, S2, Motoland, TaoTao, WELS, CMOTO)
Ручной стартер снегохода SNOWFOX T201 (Cronus, S2, Motoland, TaoTao, WELS, CMOTO)
Система подачи топлива и электрооборудование снегохода SNOWFOX T201 (Cronus, S2, Motoland, TaoTao, WELS, CMOTO)
Стартер снегохода SNOWFOX T201 (Cronus, S2, Motoland, TaoTao, WELS, CMOTO)
Цилиндр снегохода SNOWFOX T201 (Cronus, S2, Motoland, TaoTao, WELS, CMOTO)
Запчасти для снегоходов WELS
Общий каталог запчастей WELS
Ветровые стекла для снегоходов
Ветровые стекла для снегоходов Arctic Cat
Ветровые стекла для снегоходов BRP
Ветровые стекла для снегоходов Irbis
Ветровые стекла для снегоходов Polaris
Ветровые стекла для снегоходов Stels
Ветровые стекла для снегоходов Yamaha
Ветровые стекла для снегоходов Итлан Каюр
Ветровые стекла для снегоходов Русская механика
Ветровые стекла для снегоходов Шихан
Гусеницы для снегоходов
Запчасти для снегоходов IKUDZO
Запчасти для снегоходов MOTOLAND
Запчасти для снегоходов PROMAX
Запчасти для мотоциклов, мопедов
Запчасти для скутеров
Запчасти для трициклов
Запчасти для вездеходов
Запчасти для лодочных моторов
Запчасти для лодок и катеров
Запчасти для садовой техники
Шины и диски
Запчасти для мотобуксировщиков
Вал ведущий C40200790 снегохода ТАЙГА PATRUL 550 SWT
Вал ведущий L30201330 снегохода ТАЙГА PATRUL 550 SWT
Вал коленчатый С40500520, поршни снегохода ТАЙГА PATRUL 550 SWT
Вал коленчатый С40500720, поршни снегохода ТАЙГА PATRUL 550 SWT
Вал коленчатый С40500790, поршни снегохода ТАЙГА PATRUL 550 SWT
Глушитель шума впуска С40800300 снегохода ТАЙГА PATRUL 550 SWT
Двигатель снегохода ТАЙГА PATRUL 550 SWT
Движитель C40200600 снегохода РМ (РУССКАЯ МЕХАНИКА) TAYGA PATRUL 550 SWT
Капот С40700400-01 снегохода ТАЙГА PATRUL 550 SWT
Картер двигателя С40501110 для к/в С40500520 снегохода ТАЙГА PATRUL 550 SWT
Картер двигателя С40501110 для к/вала С40500610 снегохода ТАЙГА PATRUL 550 SWT
Коробка передач С40602950 снегохода ТАЙГА PATRUL 550 SWT
Коробка перемены передач С40601800 снегохода ТАЙГА PATRUL 550 SWT
Корпус С40101650 снегохода ТАЙГА PATRUL 550 SWT
Корпус С40102470 снегохода ТАЙГА PATRUL 550 SWT
Крепление двигателя снегохода ТАЙГА PATRUL 550 SWT
Наклейки снегохода ТАЙГА PATRUL 550 SWT
Органы управления, осветительные и сигнальные приборы снегохода ТАЙГА PATRUL 550 SWT
Подвеска передняя и лыжа для C40301100 снегохода ТАЙГА PATRUL 550 SWT
Подвеска передняя и лыжа снегохода ТАЙГА PATRUL 550 SWT
Регулятор центробежный C40601900-02 снегохода ТАЙГА PATRUL 550 SWT
Регулятор центробежный С40601900-06 снегохода ТАЙГА PATRUL 550 SWT
Сиденье С40103690 снегохода ТАЙГА PATRUL 550 SWT
Система выпуска снегохода ТАЙГА PATRUL 550 SWT
Система зажигания (DUCATI) снегохода ТАЙГА PATRUL 550 SWT
Система охлаждения снегохода ТАЙГА PATRUL 550 SWT
Система питания С40800600 снегохода ТАЙГА PATRUL 550 SWT
Система электрозапуска снегохода ТАЙГА PATRUL 550 SWT
Система электрозапуска снегохода ТАЙГА PATRUL 550 SWT (часть 2)
Трансмиссия С40601700-01 снегохода ТАЙГА PATRUL 550 SWT
Трансмиссия снегохода ТАЙГА PATRUL 550 SWT
Тросы снегохода ТАЙГА PATRUL 550 SWT
Управление рулевое С40301400 снегохода ТАЙГА PATRUL 550 SWT
Цилиндровая группа снегохода ТАЙГА PATRUL 550 SWT
Шкив вариатора ведомый C40601500 снегохода ТАЙГА PATRUL 550 SWT