Мы используем cookie для наилучшего представления нашего сайта. Подробнее об этом в Политике конфиденциальности.
Ок

Березники

Ваш город:
Березники (Пермский край)?
Нет
Да
Каталог
Каталог Написать в WhatsApp
Мотоэкипировка

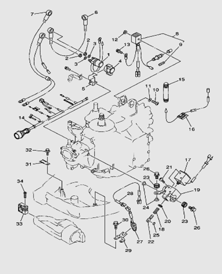
Запчасти для 2-х тактного ПЛМ TITAN TP40AMHS

Запчасти для 2-х тактного ПЛМ TITAN TP40AMHS в Перми: актуальный каталог, цены, фото, описание. Купите запчасти для 2-х тактного плм titan tp40amhs в кредит – оформите заявку онлайн за 1 минуту!
Для ускорения поиска, Ты можешь ввести здесь часть названия детали, например «Поршень»

On-line каталоги

Главная Магазины
Корзина0
Профиль